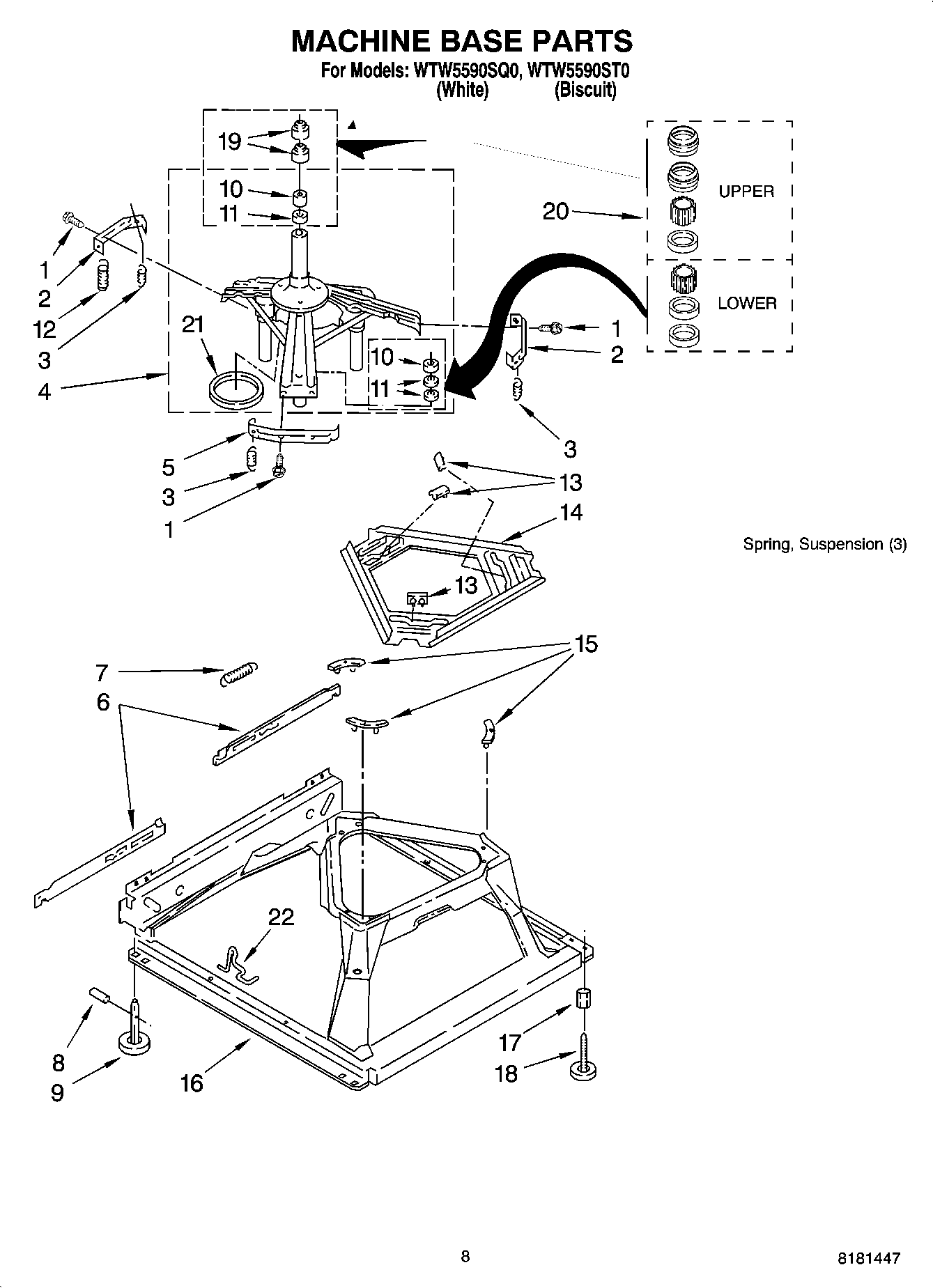
WTW5590SQ0 05 – MACHINE BASE PARTS