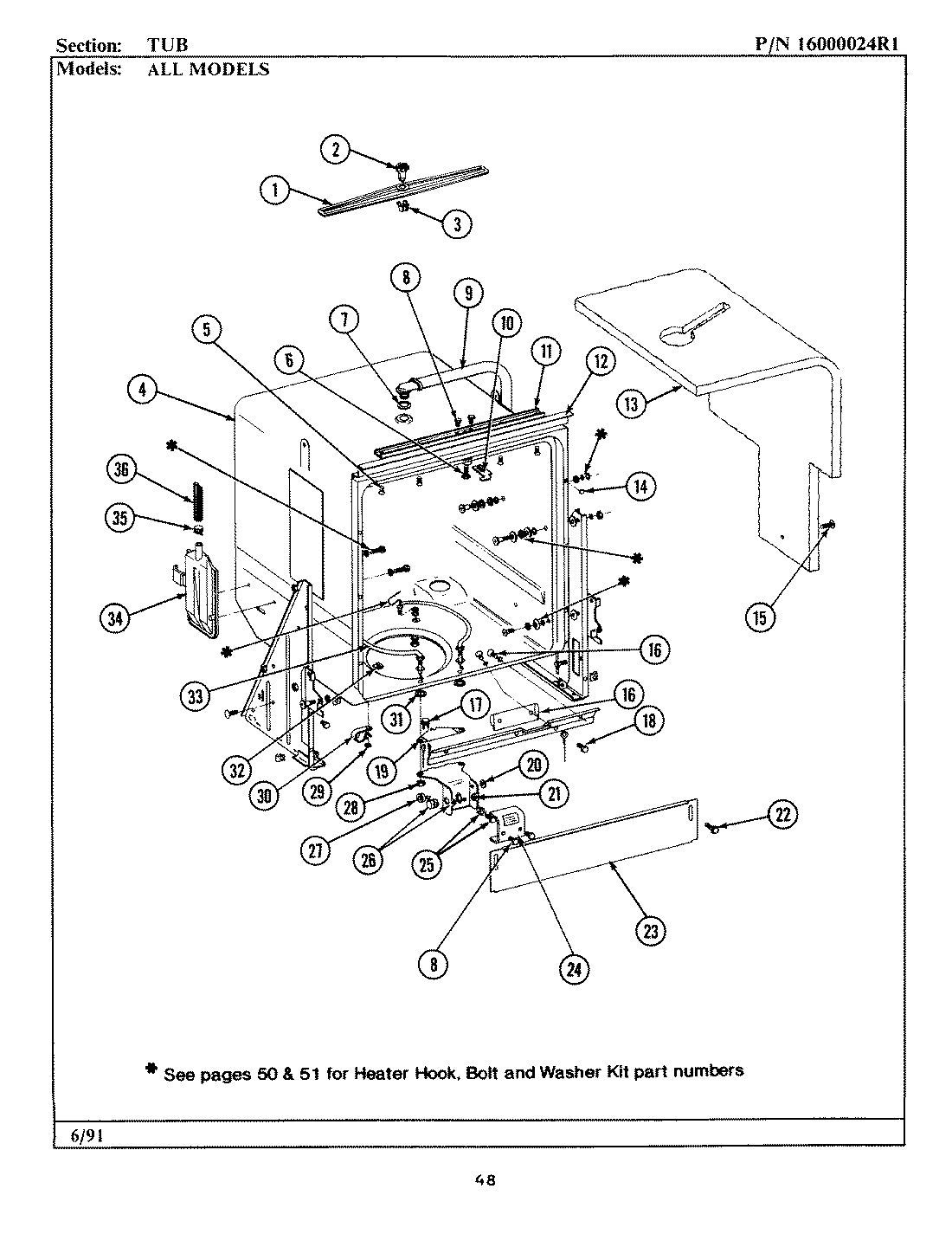
WU484 10 – TUB