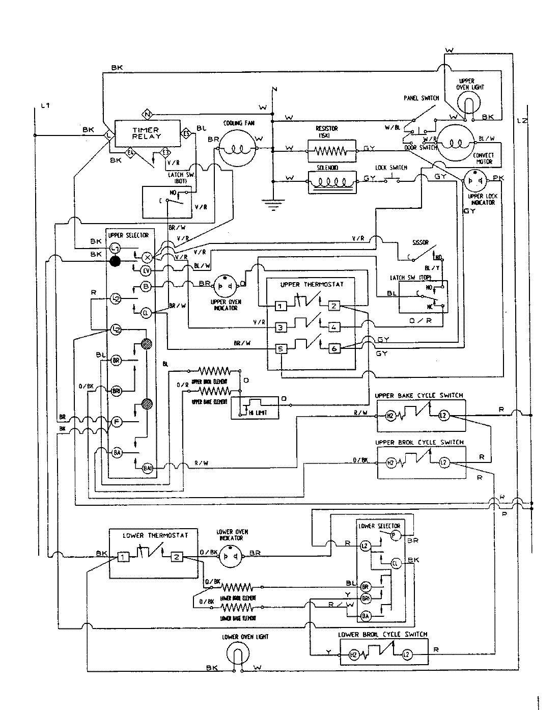
WW2460B 08 – WIRING INFORMATIONadmin2025-04-26T08:48:43+00:00WW2460B 08 – WIRING INFORMATION ProductsPositionProductNIMAY 15001167