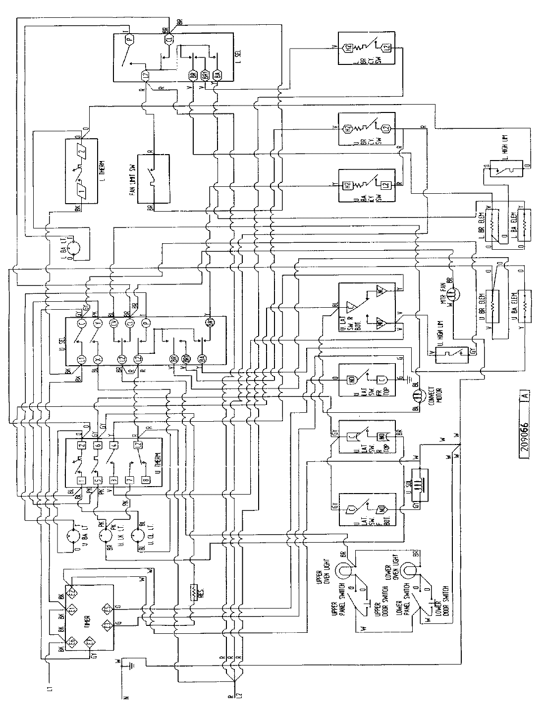
WW27210PK 09 – WIRING INFORMATIONadmin2025-04-26T08:48:44+00:00WW27210PK 09 – WIRING INFORMATION ProductsPositionProductNIMAY 15001300