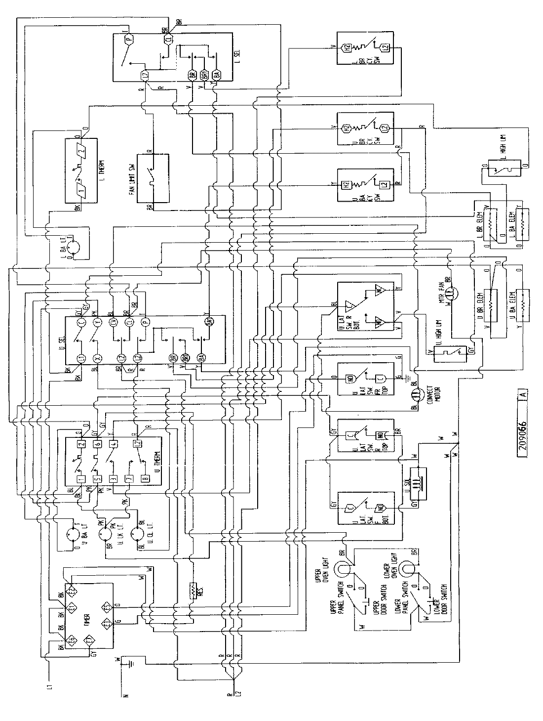
WW27210PU 09 – WIRING INFORMATION

WW27210PU 09 – WIRING INFORMATION

Products

PositionProduct
NIMAY 15001300