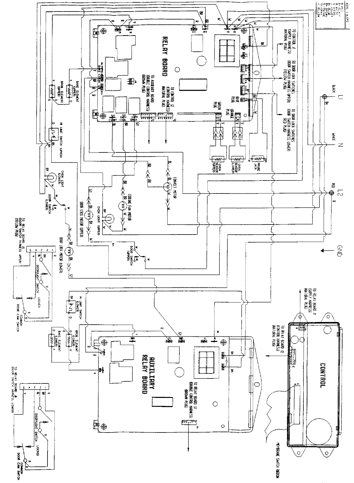
WW27430P 06 – WIRING INFORMATIONadmin2025-04-26T08:48:52+00:00WW27430P 06 – WIRING INFORMATION ProductsPositionProductNIMAY 15002945NIMAY 15001719