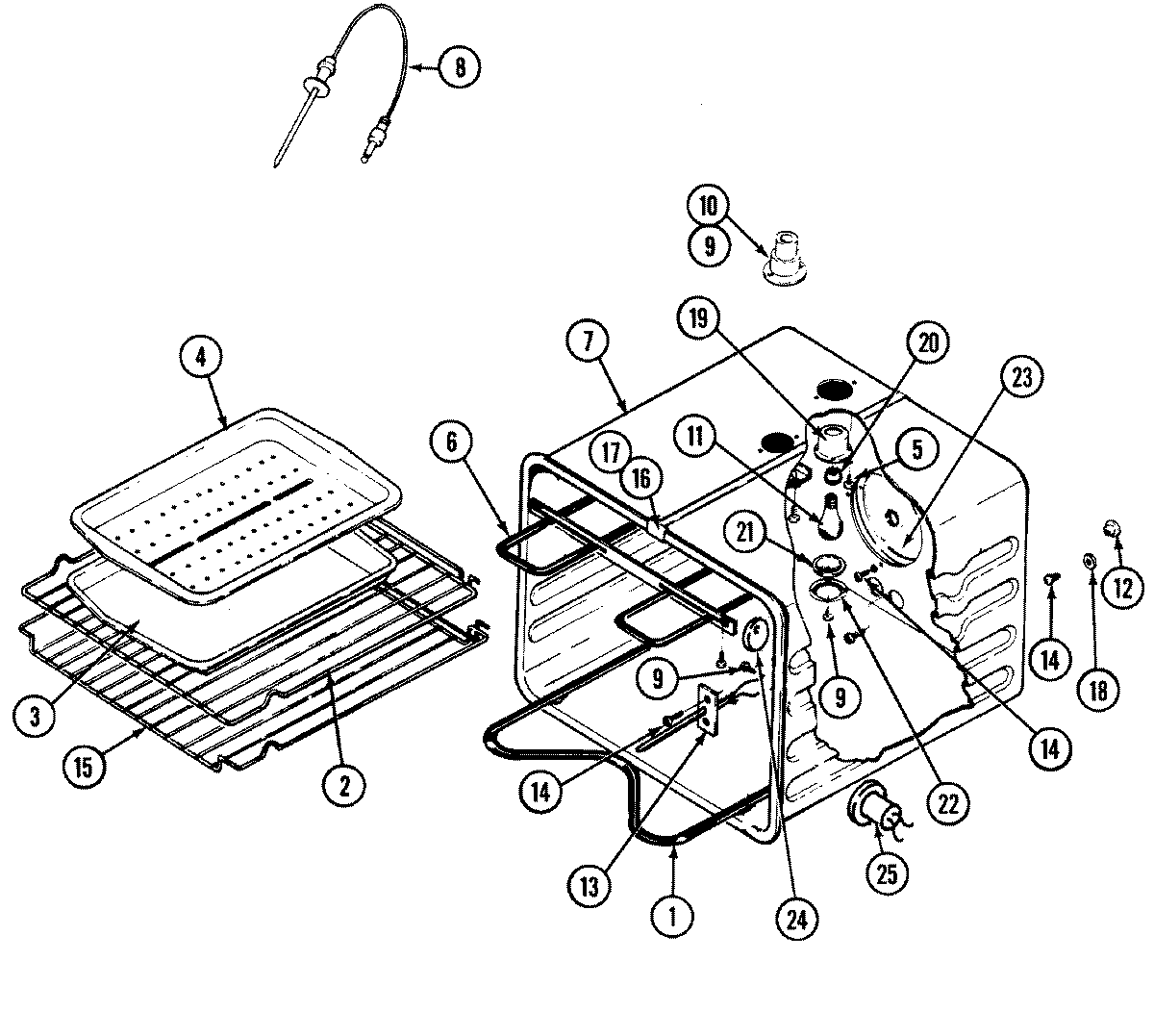
WW2780B-C 07 – OVEN