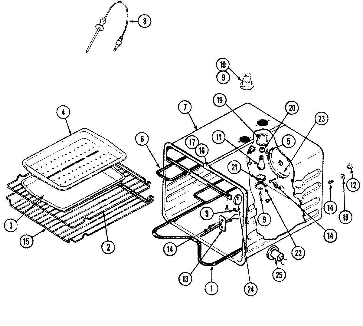
WW2780W 06 – OVEN