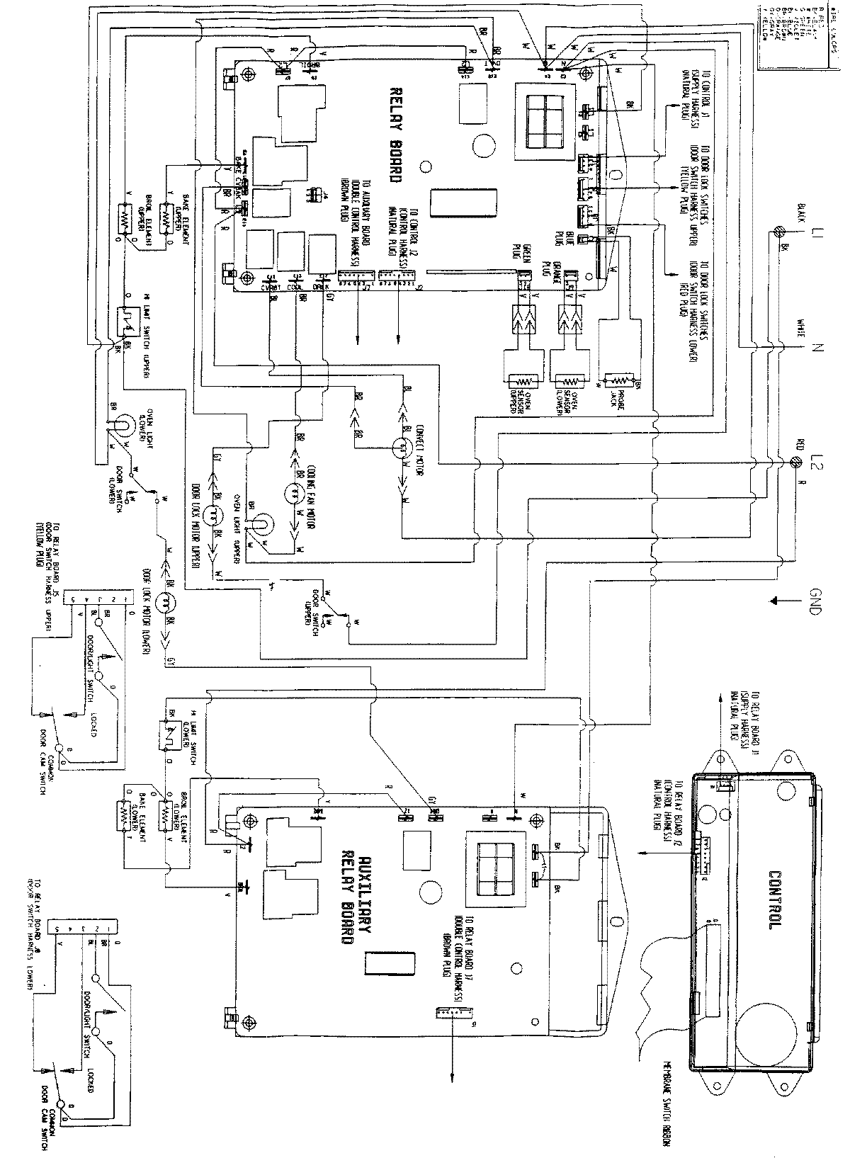
WW30430P 06 – WIRING INFORMATIONadmin2025-04-26T08:49:05+00:00WW30430P 06 – WIRING INFORMATION ProductsPositionProductNIMAY 15002945NIMAY 15001719