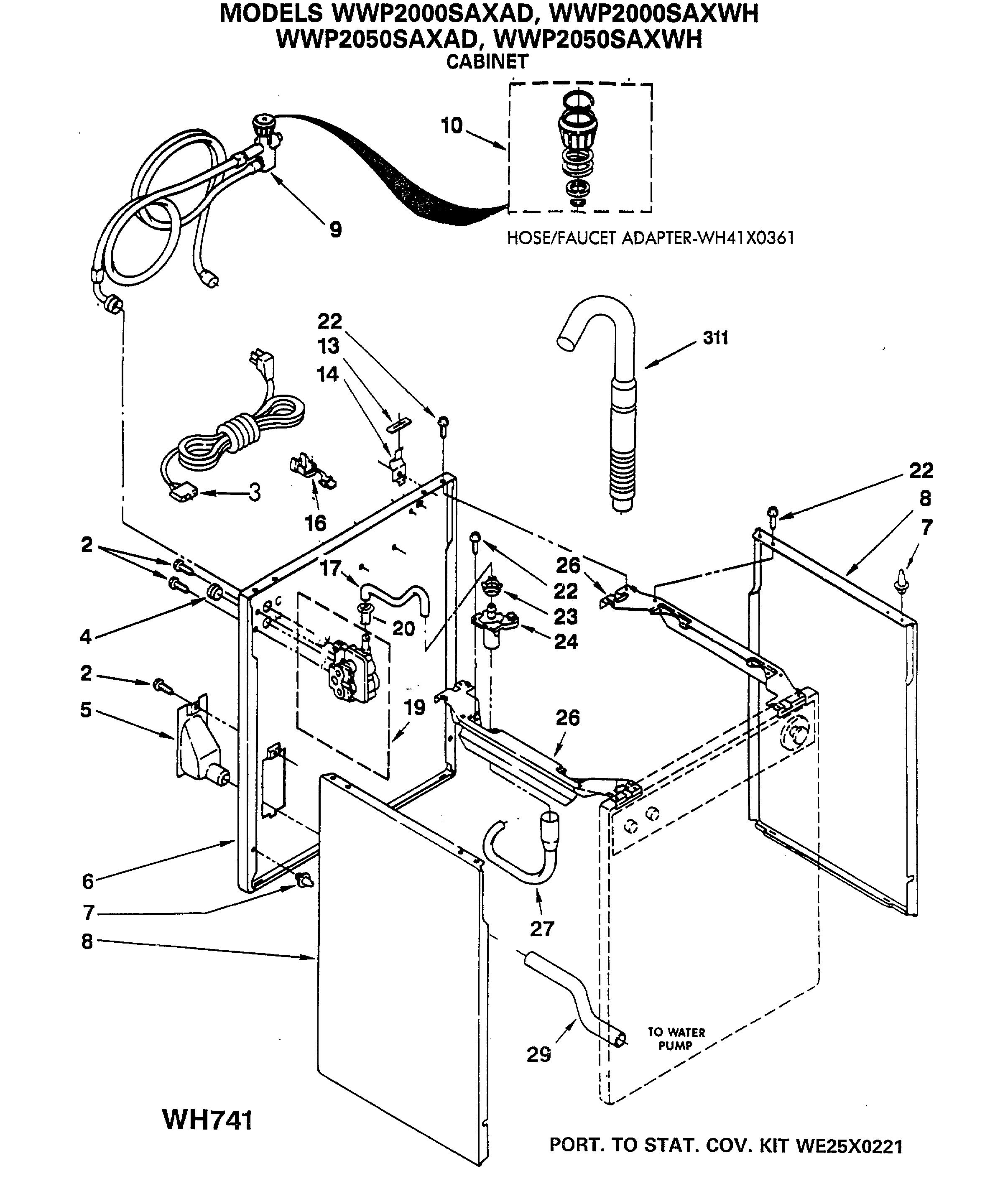
WWP2000SAXAD CABINETadmin2025-04-26T11:04:16+00:00WWP2000SAXAD CABINET ProductsPositionProduct1GEN 31-27171INSTALL INSTR1GEN 49-98003GEN WH19X03014GEN WH01X26585GEN WH41X03486GEN WH46X03247GEN WH01X26598GEN WH46X03269GEN WH41X035210GEN WH49X029313GEN WH01X266014GEN WH16X050316GEN WH01X266917GEN WH41X034519WH13X10014 GE Water Valve23GEN WH01X266124GEN WH01X266226GEN WH16X050427GEN WH41X034629GEN WH41X0347102GEN WH01X2751102GEN WH02X1214134CLIP WINDOW136GEN WH40X0182141GEN WH60X0030155GEN WH05X0249168GEN WH04X0109179GEN WH60X0029311GEN WH41X0364