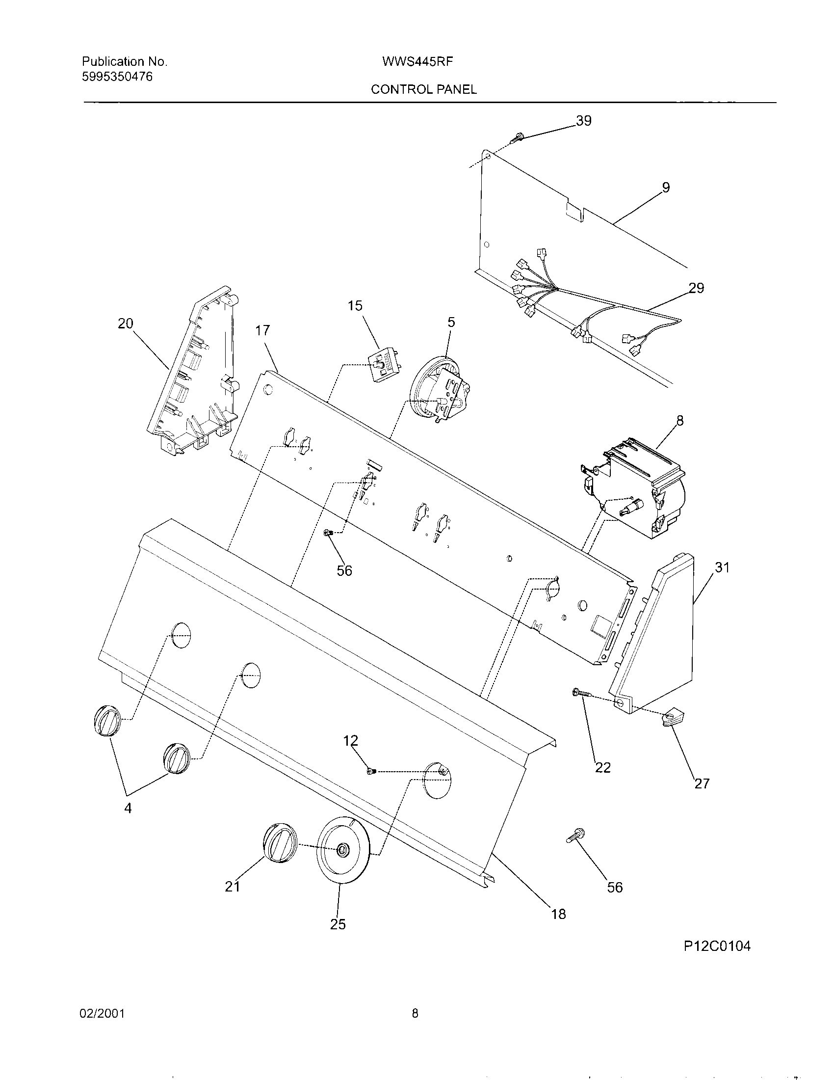
WWS445RFS1 09 – CONTROL PANELadmin2025-04-26T08:35:10+00:00WWS445RFS1 09 – CONTROL PANEL ProductsPositionProductNIWCI 1318277004WCI 1311186035134680100 Frigidaire Pressure Switch8WCI 1317739009COVER-BACK12131168200 Frigidaire Dryer Screw15WCI 13108120017WCI 13158000618WCI 13401220020WCI 530329134321WCI 13197830122WCI 13126631025WCI 13197820327CLIP-CONSOLE MTG29WCI 13198680031WCI 530329135139131205100 Frigidaire Screw56131243800 Frigidaire Screw