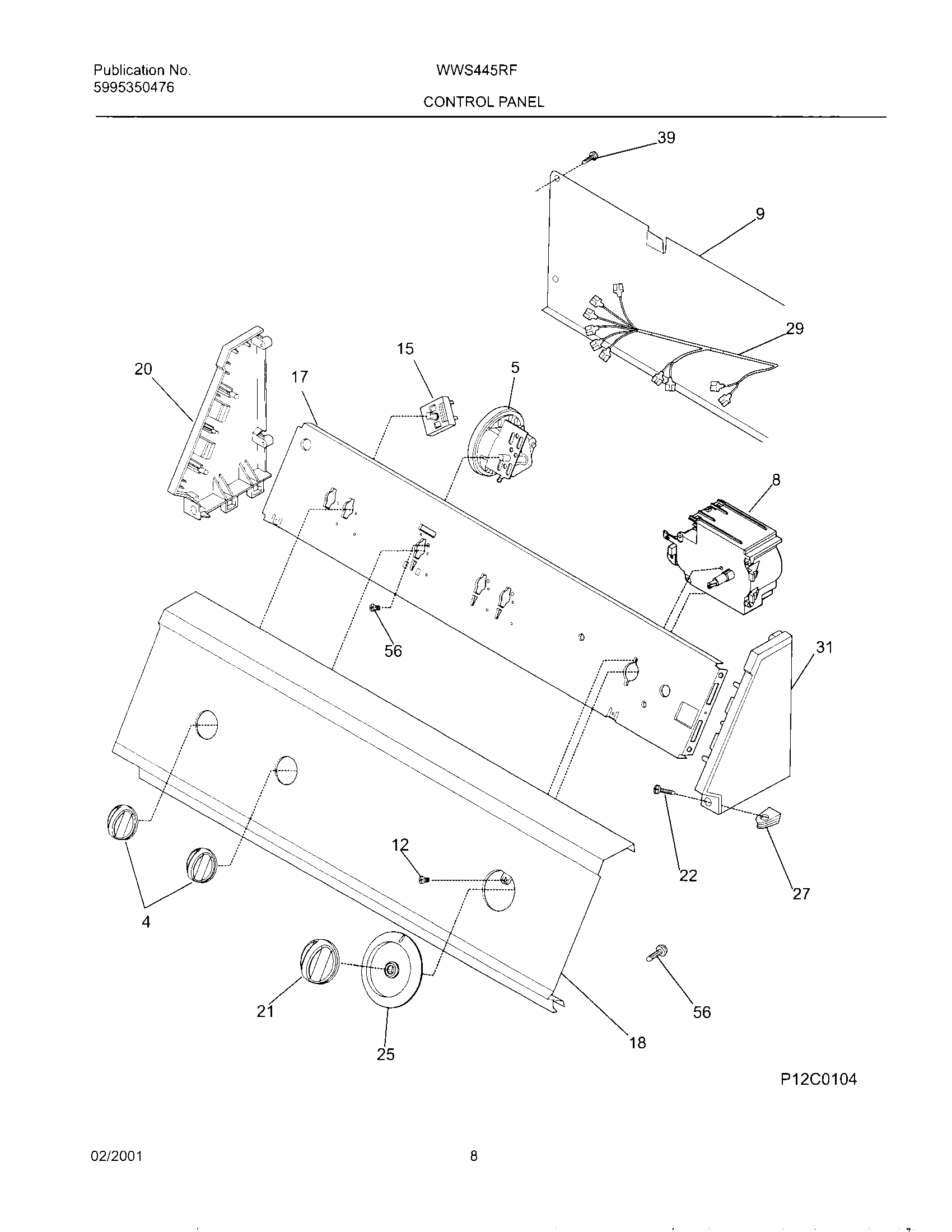
WWS445RFT1 09 – CONTROL PANELadmin2025-04-26T08:35:12+00:00WWS445RFT1 09 – CONTROL PANEL ProductsPositionProductNIWCI 1340078004WCI 1317866045134680100 Frigidaire Pressure Switch8WCI 1317739009COVER-BACK12131168200 Frigidaire Dryer Screw15WCI 13108120017WCI 13158000618WCI 13401330020WCI 530331852421WCI 13197830222WCI 13126632025WCI 13197820427CLIP-CONSOLE MTG29WCI 13198680031WCI 530331852539131205100 Frigidaire Screw56131243800 Frigidaire Screw