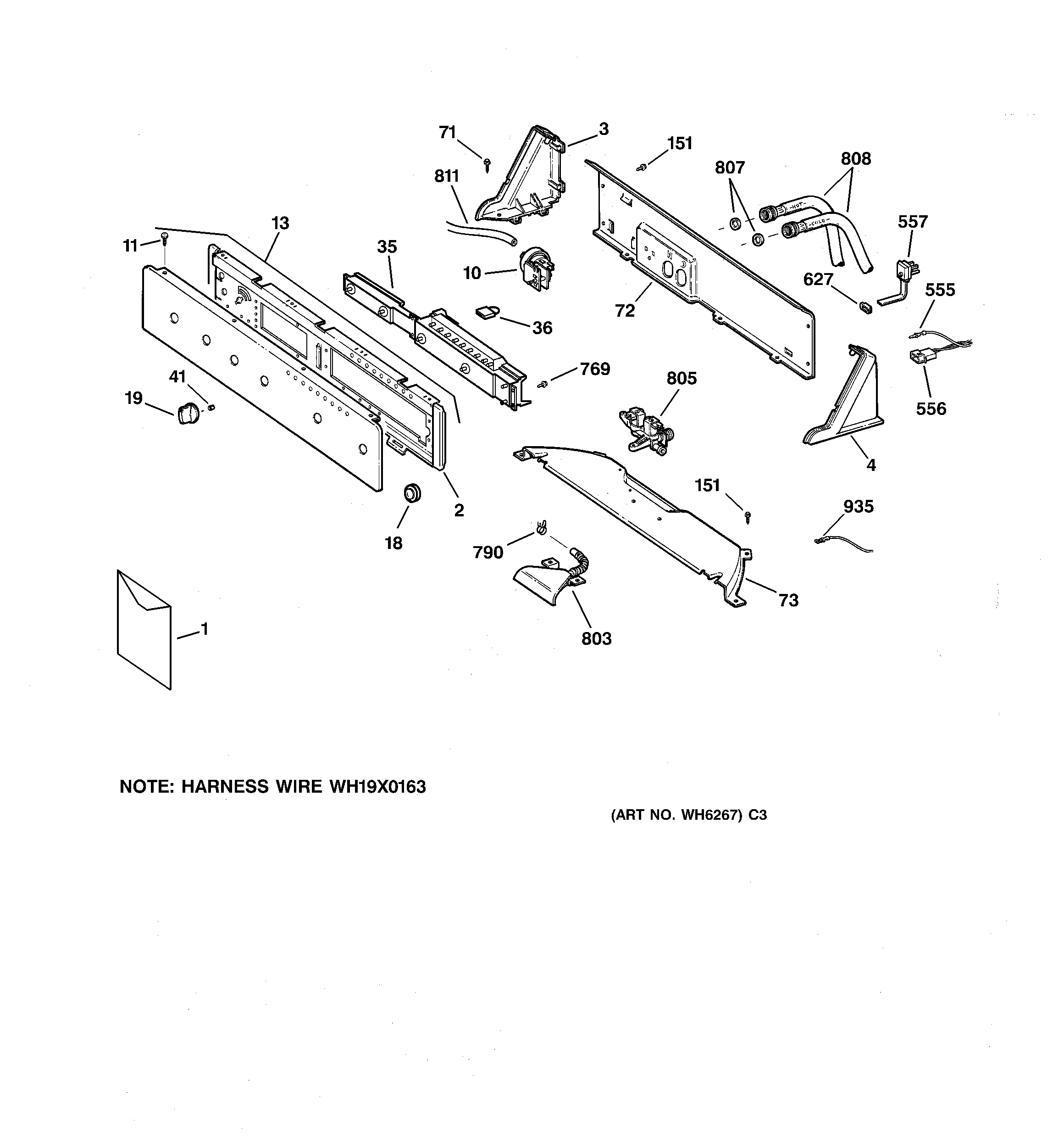
WWSE3160A0WW CONTROLS & BACKSPLASHadmin2025-04-26T11:04:50+00:00WWSE3160A0WW CONTROLS & BACKSPLASH ProductsPositionProduct1GEN 49-900301MINI MANUAL1INSTRUCTION INSTALL2GEN WH46X100483GEN WH42X23974GEN WH42X239810WH12X10093 GE Press Switch11GEN WH02X120618WH01X10088 GE Start/stop Switch Button19WH1X2721 GE Dryer Control Knob35GEN WH12X1009936GEN WH12X1011441GEN WE01X0980?71WH2X1205 GE Screw 8-1872GEN WH46X1003573GEN WH46X10047494WD1X1459 GE Dishwasher Insulation Housing555GEN WB17X5053556GEN WH12X0497557GEN WH19X0311627GEN WH12X10025631GEN WH12X1068769WB1X500D GE Oven Screw Package790WH1X2036 GE UNIX Clamp803HOSE & WATER INLET805WATER VALVE807WH2X42D GE Washer Pack of 12808WH41X10207 GE Washer Rubber Inlet Hose 2 Pack 4'811WH41X365 GE Washer Water Level Pressure Switch HOSE935GEN WD01X1434