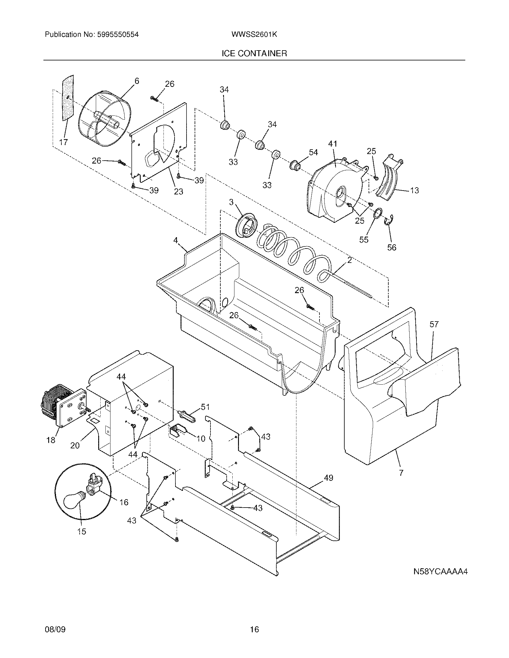
WWSS2601KS0 17 – ICE CONTAINER