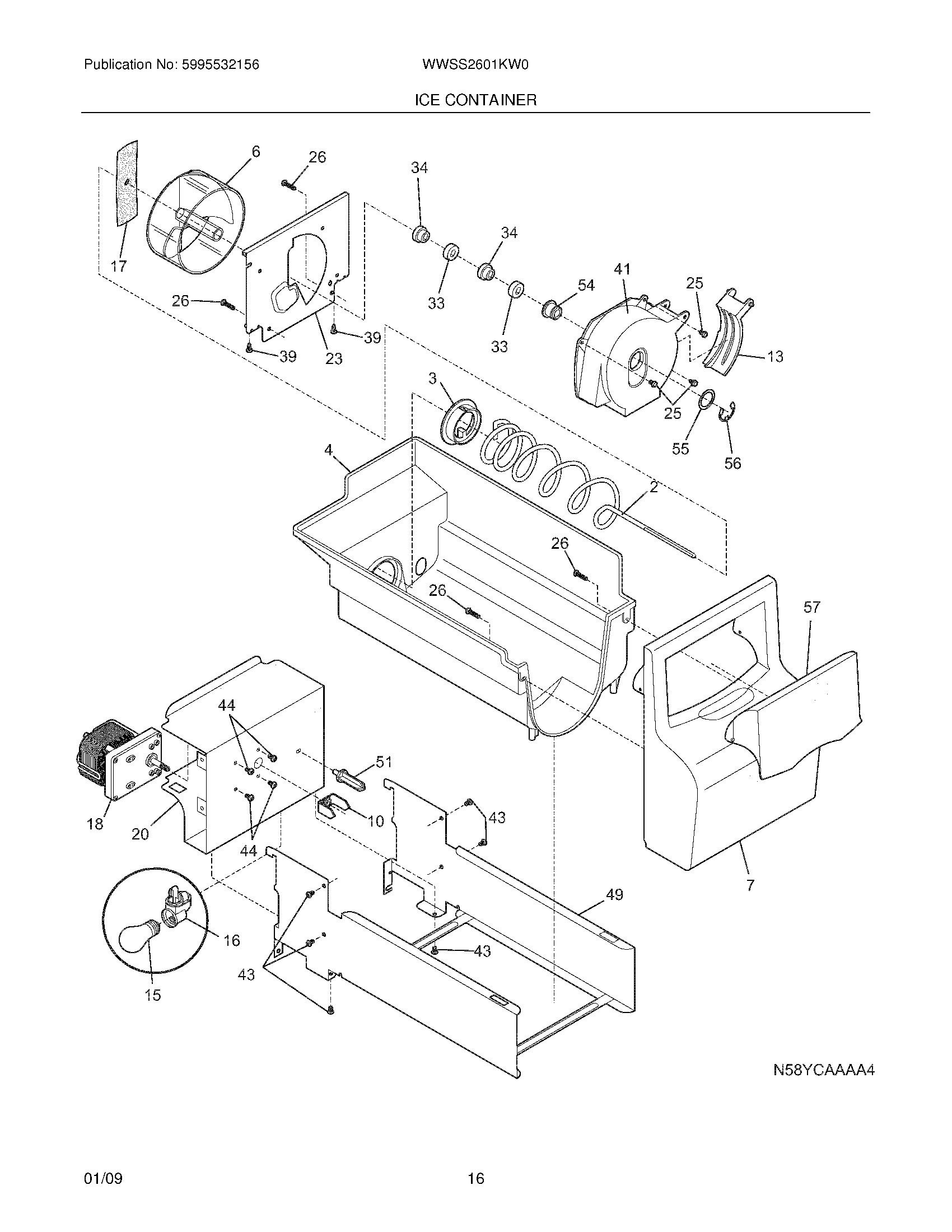
WWSS2601KW0 17 – ICE CONTAINERadmin2025-04-26T08:34:56+00:00WWSS2601KW0 17 – ICE CONTAINER ProductsPositionProductNIWCI 241857001NI240507202 Frigidaire Refrigerator DeflectorNIWCI 2418608022241716101 Frigidaire Refrigerator Ice Auger3241685201 Frigidaire Refrigerator Drive Cam4241734001 Frigidaire Refrigerator Ice Bucket6241685101 Frigidaire Refrigerator Ice Dispenser Drum7241734201 Frigidaire Refrigerator Front Ice Container10241726501 Frigidaire Refrigerator Drive Bar13241885001 Frigidaire Refrigerator Ice Crusher Housing15316538904 Frigidaire Oven Lamp Light16241559801 Frigidaire Light Socket Refrigerator17241684503 Frigidaire Ice Crusher Blade18242221501 Frigidaire Refrigerator Auger Motor20WCI 24173490123241684001 Frigidaire Refrigerator Plate-Front25240555002 Frigidaire Refrigerator Screw #8-32 X 3/826241690602 Frigidaire Refrigerator Screw33241684802 Frigidaire Refrigerator Spacer34241689802 Frigidaire Refrigerator Spacer39241690501 Frigidaire Refrigerator Screw44218359202 Frigidaire Refrigerator Screw49241734501 Frigidaire Refrigerator Rail51WCI 24167630154241685001 Frigidaire Auger Nut55241690306 Frigidaire Refrigerator Washer56241690201 Frigidaire Refrigerator E-Ring57241734101 Frigidaire Refrigerator Front Access Door Ice Bin