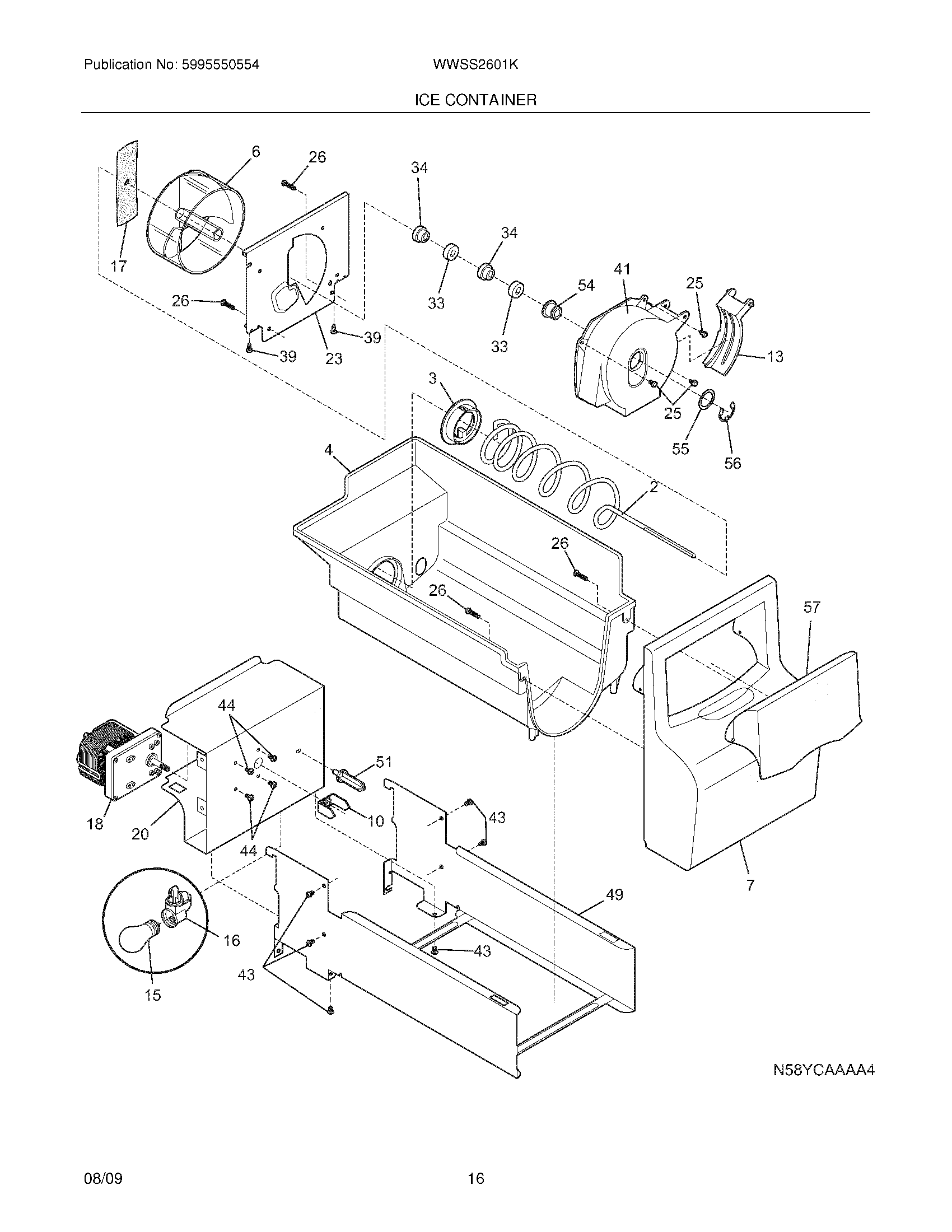
WWSS2601KW1 17 – ICE CONTAINER