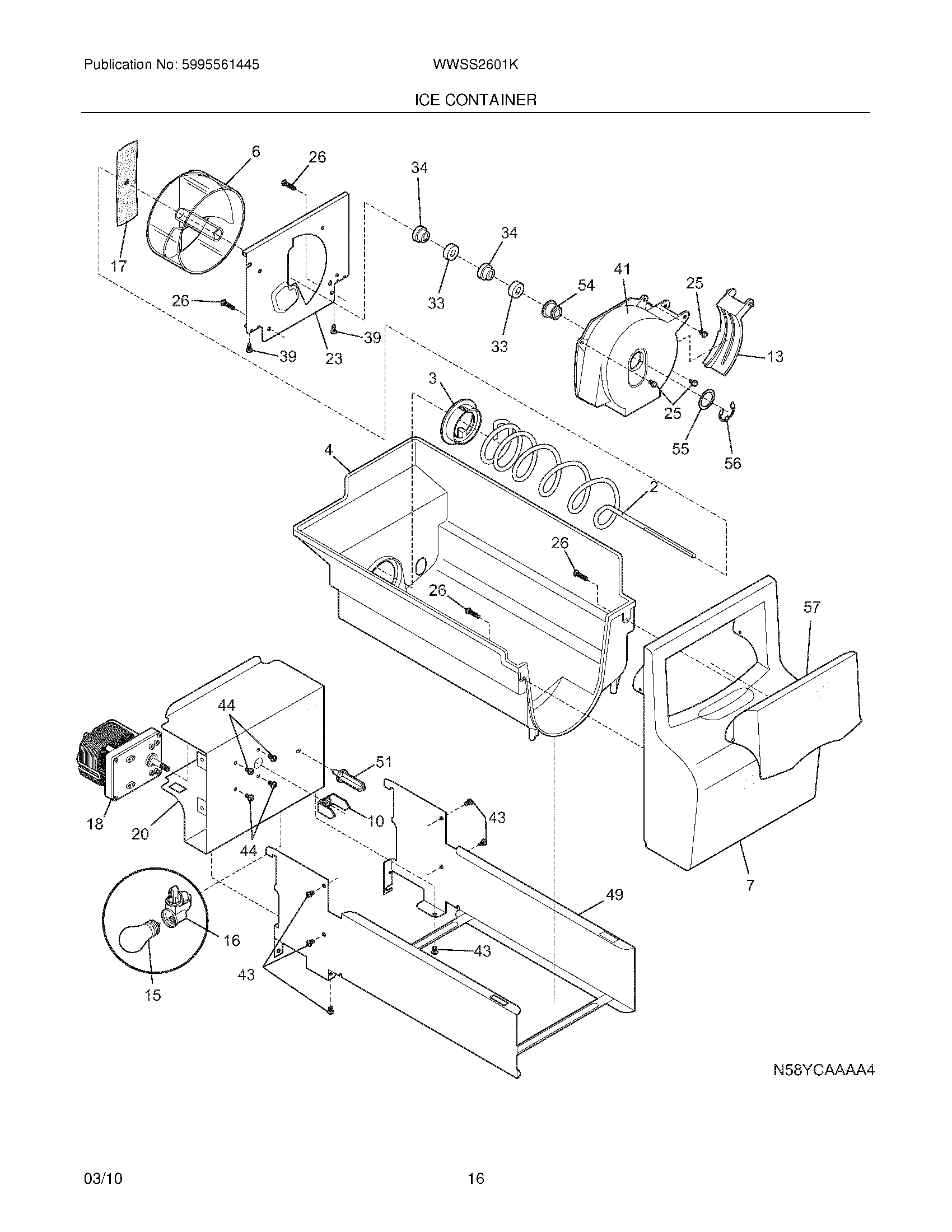
WWSS2601KW3 17 – ICE CONTAINER