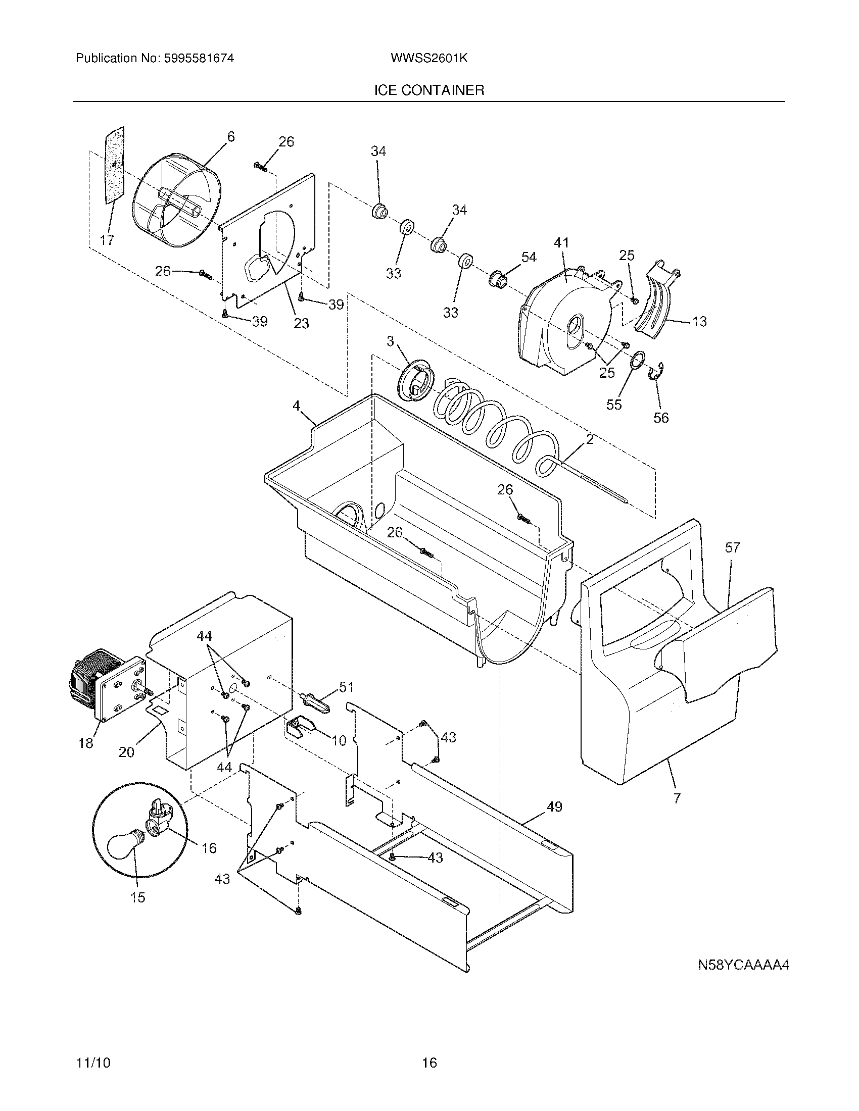
WWSS2601KW5 17 – ICE CONTAINER