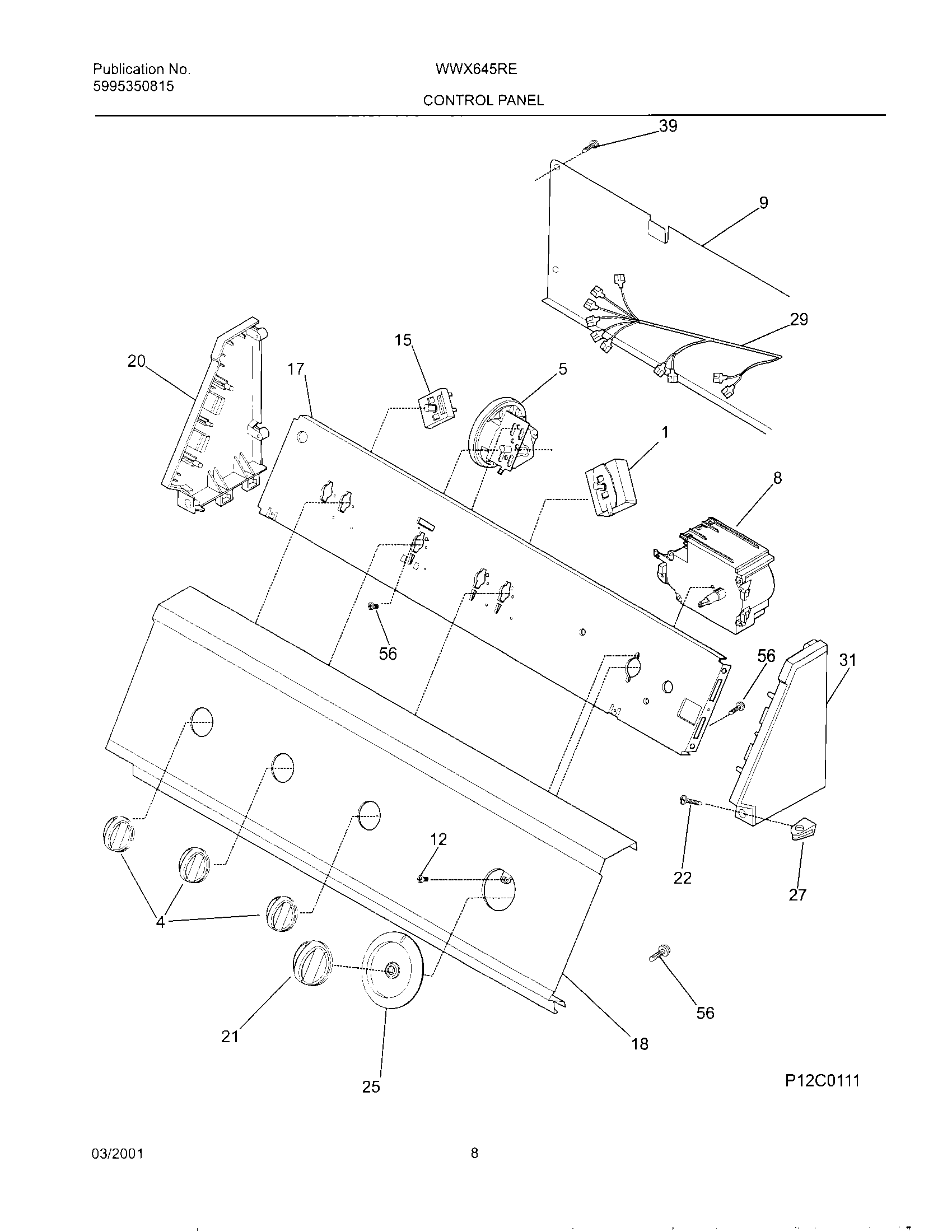
WWX645RET1 09 – CONTROL PANEL