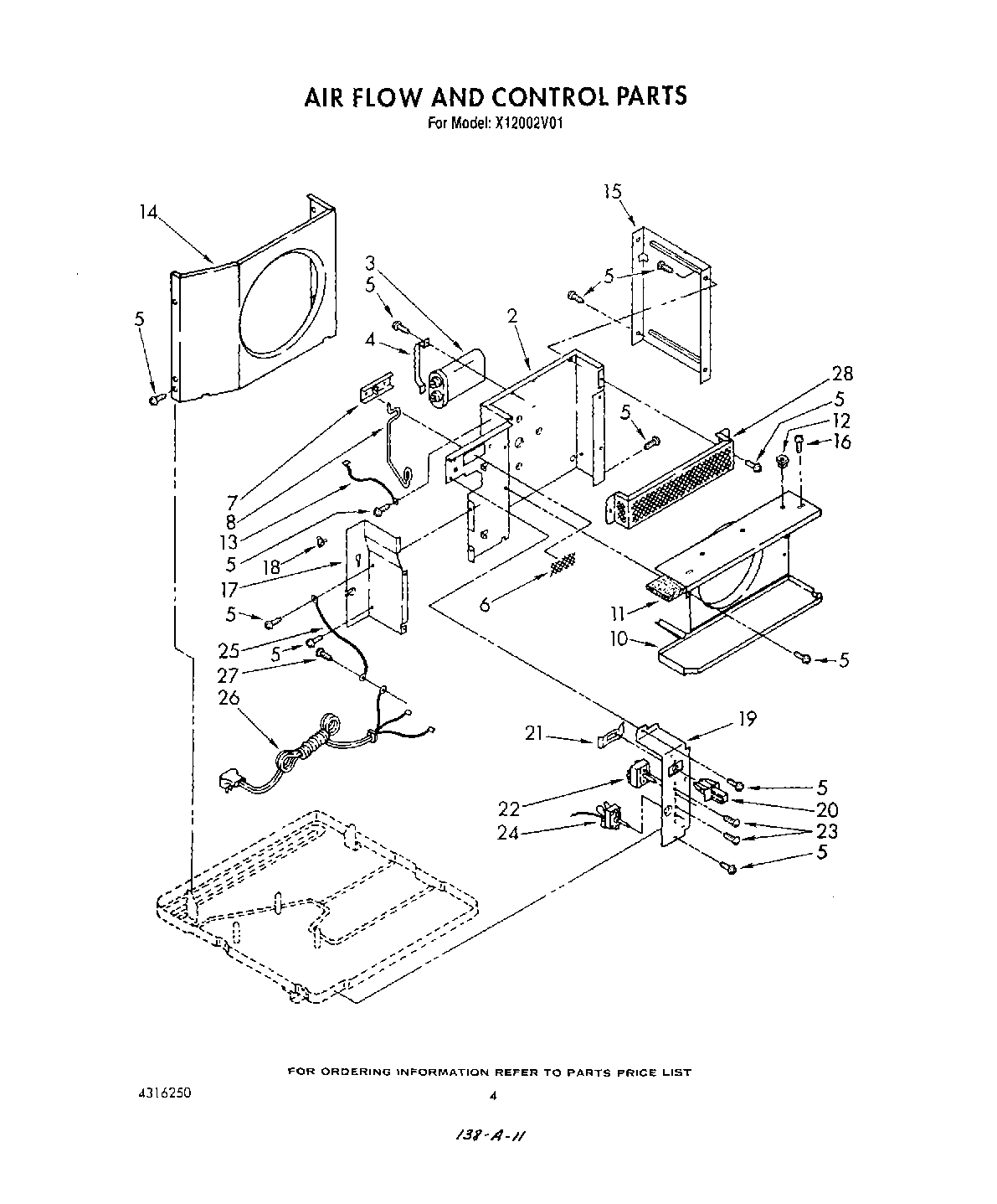
X12002V01 03 – AIR FLOW AND CONTROLadmin2025-04-26T11:18:24+00:00X12002V01 03 – AIR FLOW AND CONTROL
Products
| Position | Product |
|---|
| 2 | Wall, Dividing Also Order: |
| 3 | Capacitor, Running |
| 4 | Bracket, Capacitor |
| 5 | WP489069 Whirlpool Compactor Screw |
| 5 | Screw, Repair |
| 6 | Screen, Exhaust Door |
| 7 | Door, Exhaust |
| 8 | Arm, Door |
| 10 | Shroud, Evaporator |
| 11 | Insulation, Evaporator Cover |
| 12 | Fastener, snap (2) |
| 13 | Wire, Ground |
| 14 | Shroud, Condenser |
| 15 | Support, Unit |
| 16 | WP488729 Whirlpool Refrigerator Door Screw |
| 17 | Extension, Dividing Wall (Requires Insulation Part No. 469938) |
| 18 | Clip, Retainer |
| 19 | Panel, Control |
| 20 | Actuator, Door |
| 21 | Spring, Retainer |
| 22 | Switch, Rotary |
| 23 | Screw, 6-32 x .175 |
| 24 | Control, Tempetature |
| 25 | Wire, Ground |
| 26 | Cable, Appliance |
| 27 | WPW10141604 Whirlpool Screw |
| 28 | Guard, Evaporator Impeller |