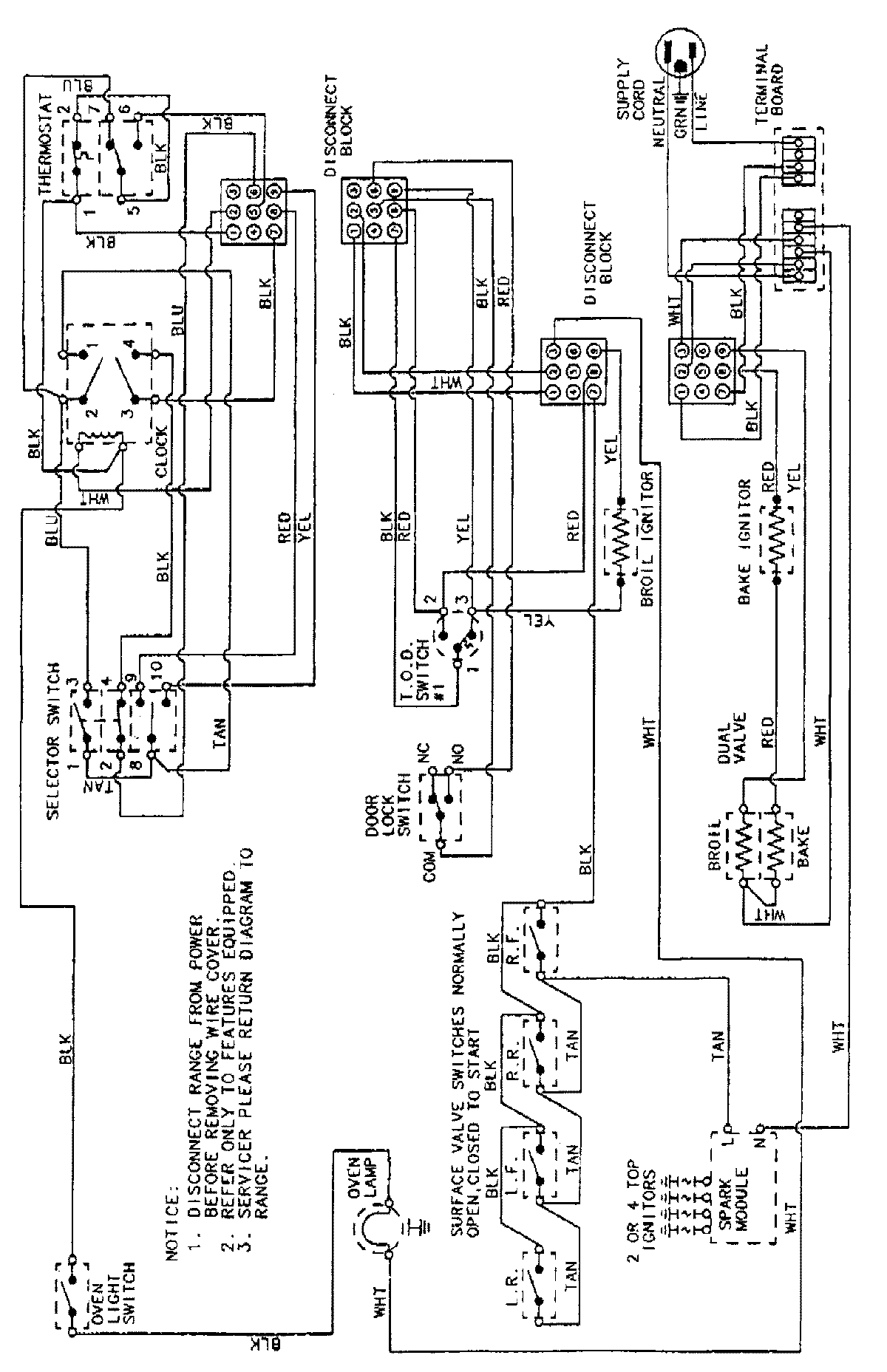
X3448XTALT 06 – WIRING INFORMATIONadmin2025-04-26T08:48:21+00:00X3448XTALT 06 – WIRING INFORMATION ProductsPositionProductNIMAY 15001188