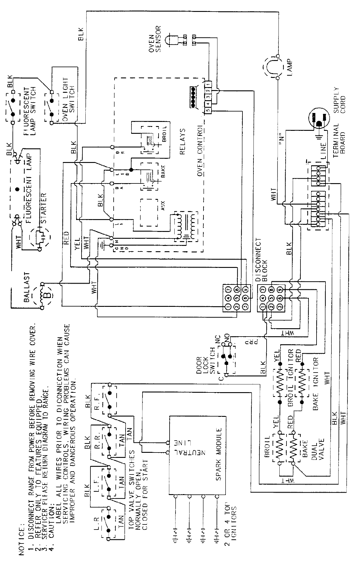
X3488VVDLT 06 – WIRING INFORMATION

X3488VVDLT 06 – WIRING INFORMATION

Products

PositionProduct
NIMAY 15001191