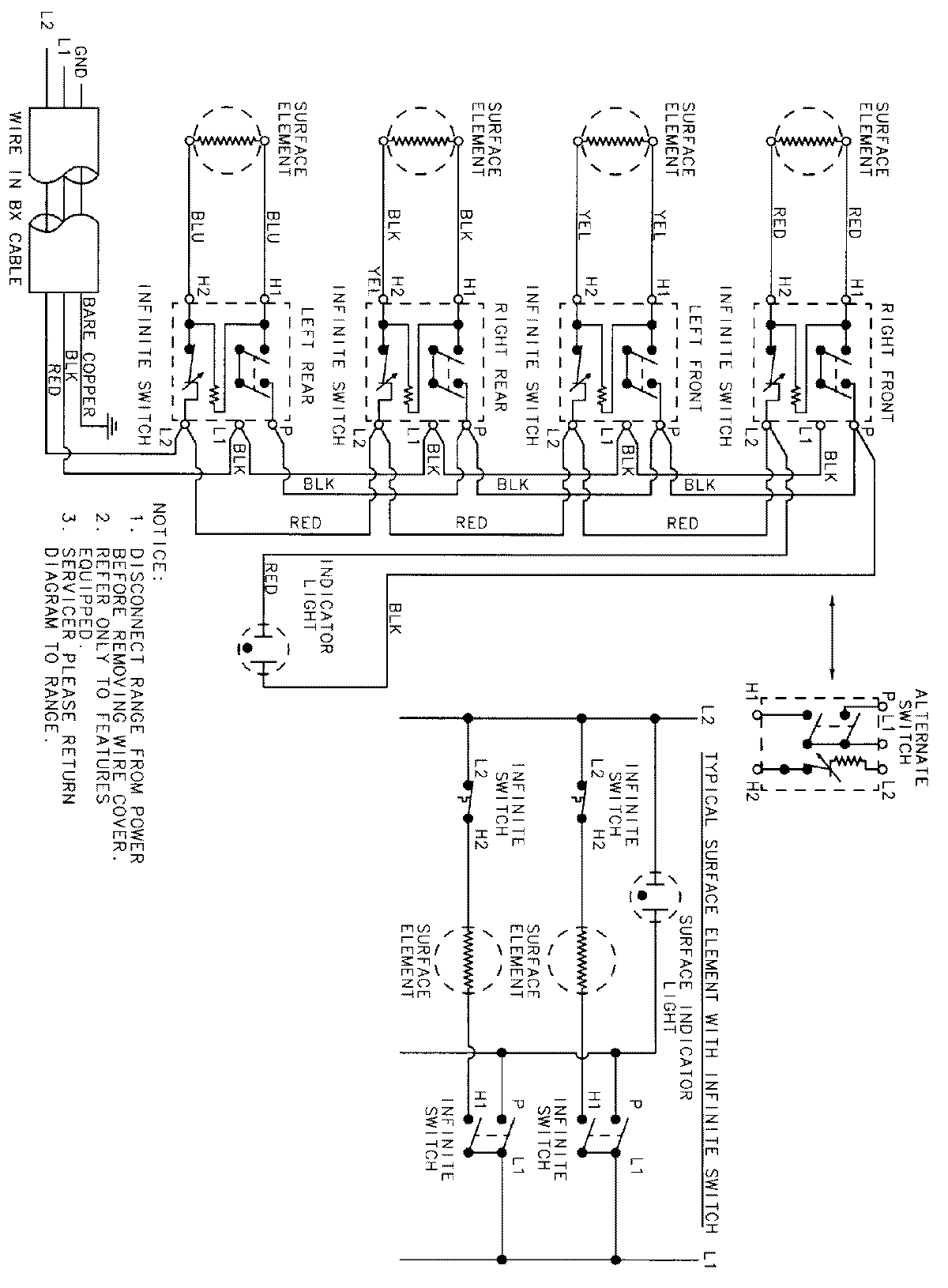
X8610RA 02 – WIRING INFORMATIONadmin2025-04-26T08:48:20+00:00X8610RA 02 – WIRING INFORMATION ProductsPositionProductNIMAY 15001541