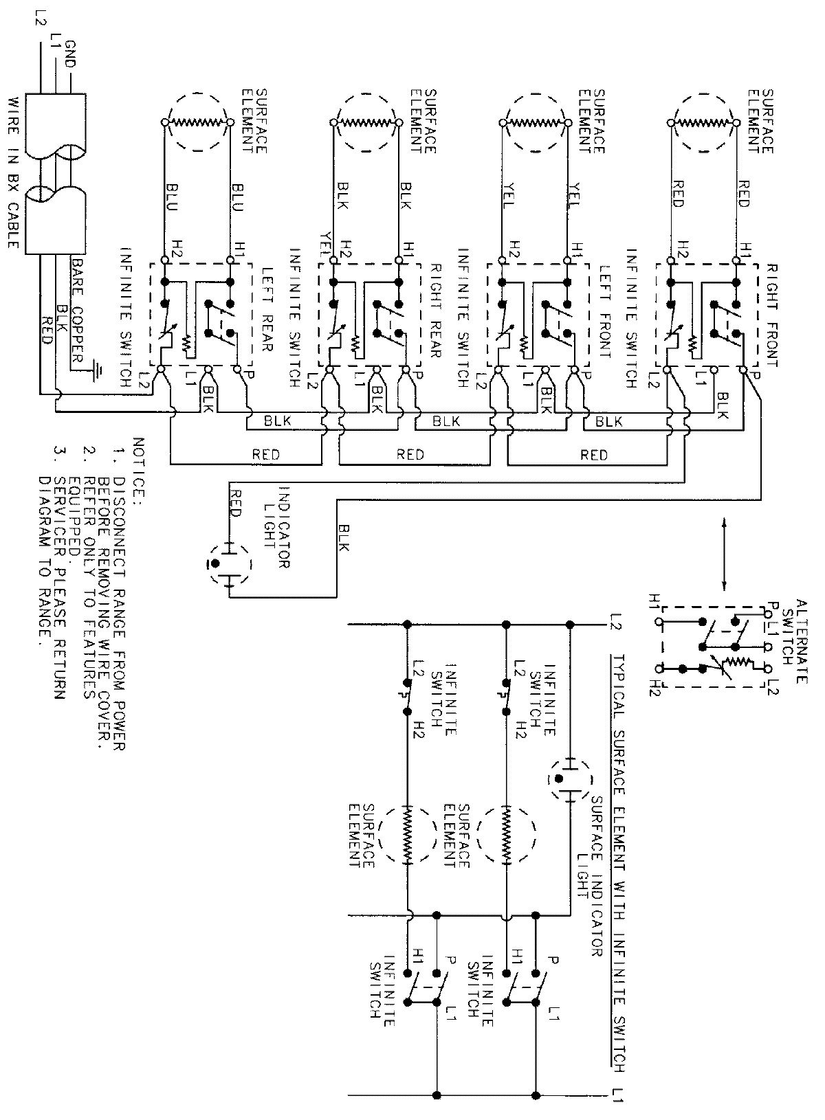
X8610RT 02 – WIRING INFORMATIONadmin2025-04-26T08:48:40+00:00X8610RT 02 – WIRING INFORMATION ProductsPositionProductNIMAY 15001541