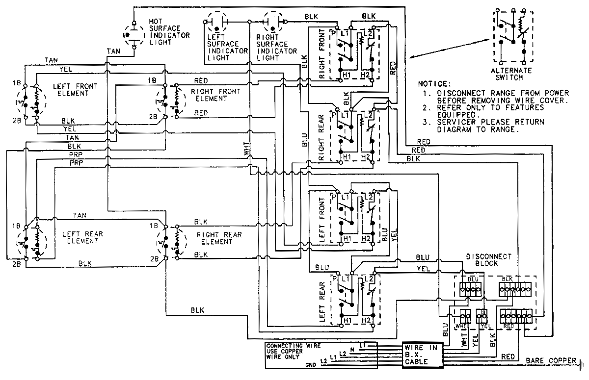
X8670RV 02 – WIRING INFORMATIONadmin2025-04-26T08:48:31+00:00X8670RV 02 – WIRING INFORMATION ProductsPositionProductNIMAY 15001149