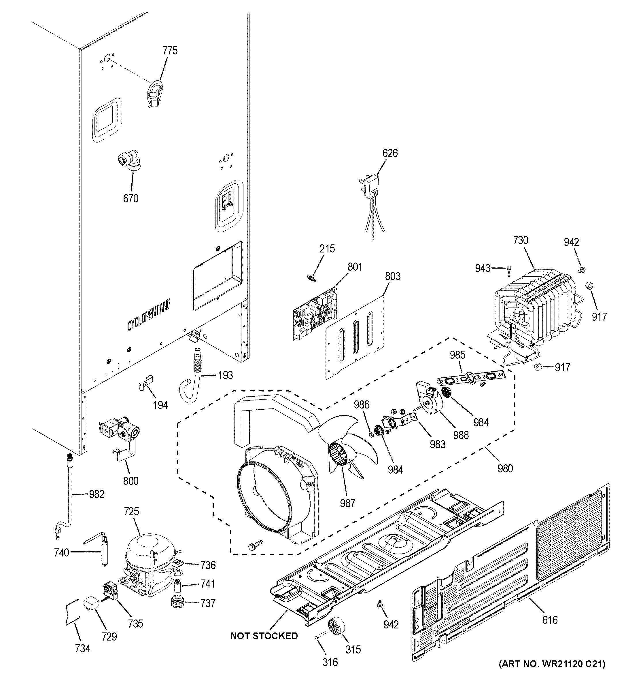
XFE26JSMKFSS MACHINE COMPARTMENTadmin2025-04-26T11:29:22+00:00XFE26JSMKFSS MACHINE COMPARTMENT ProductsPositionProduct193WR02X30155 GE Refrigerator Drain Tube194WR02X12335 GE Clamp215WR02X10663 GE Refrigerator Standoff315WR02X30159 GE Refrigerator Mobility Wheel316WR02X30160 GE Refrigerator Mobility Wheel Pin616WR82X22767 GE Refrigerator Access Cover Assembly626WR23X30131 GE Refrigerator Lower Cabinet Harness670WR02X25048 GE Refrigerator 1/4 Union Connector725WR87X10224 GE Refrigerator Compressor Kit EGYS60729WR55X24064 GE Refrigerator Run Capacitor730WR87X32326 GE Refrigerator L-Fin Al Condenser 10 Pass734CLIP RETAINER MEI735WR08X26736 GE Refrigerator PTCR Overload Combo736CLIP737WR02X22869 GE Refrigerator Grommet740WR86X25269 GE Refrigerator R134 Dryer741WR1X1779 GE Refrigerator Stud Mounting Compressor775WR17X13124 GE Refrigerator Water Line Cover800VALVE & GUARD ASM801BOARD T MAIN BF VS803WR02X12025 GE Main Board Enclosure917WR02X13573 GE Refrigerator Sound Damper942WR01X10654 GE Refrigerator Screw 10-32 TT HXW 5/16 S943SCR 10-16 B HXW 1/4 S980WR60X29573 GE Refrigerator Condenser Fan & Housing982WR02X13774 GE Refrigerator Tube Lead983WR02X11863 GE Refrigerator Condenser Fan Bracket (Mounting)984WR02X10520 GE Refrigerator Fan Motor Grommet985WR02X10593 GE Refrigerator Bracket Condenser Fan (Rear)986WR02X12149 GE Refrigerator Ring987WR60X24484 GE Refrigerator Condenser Fan Blade988WR60X10209 GE Refrigerator DC Condenser Fan Motor