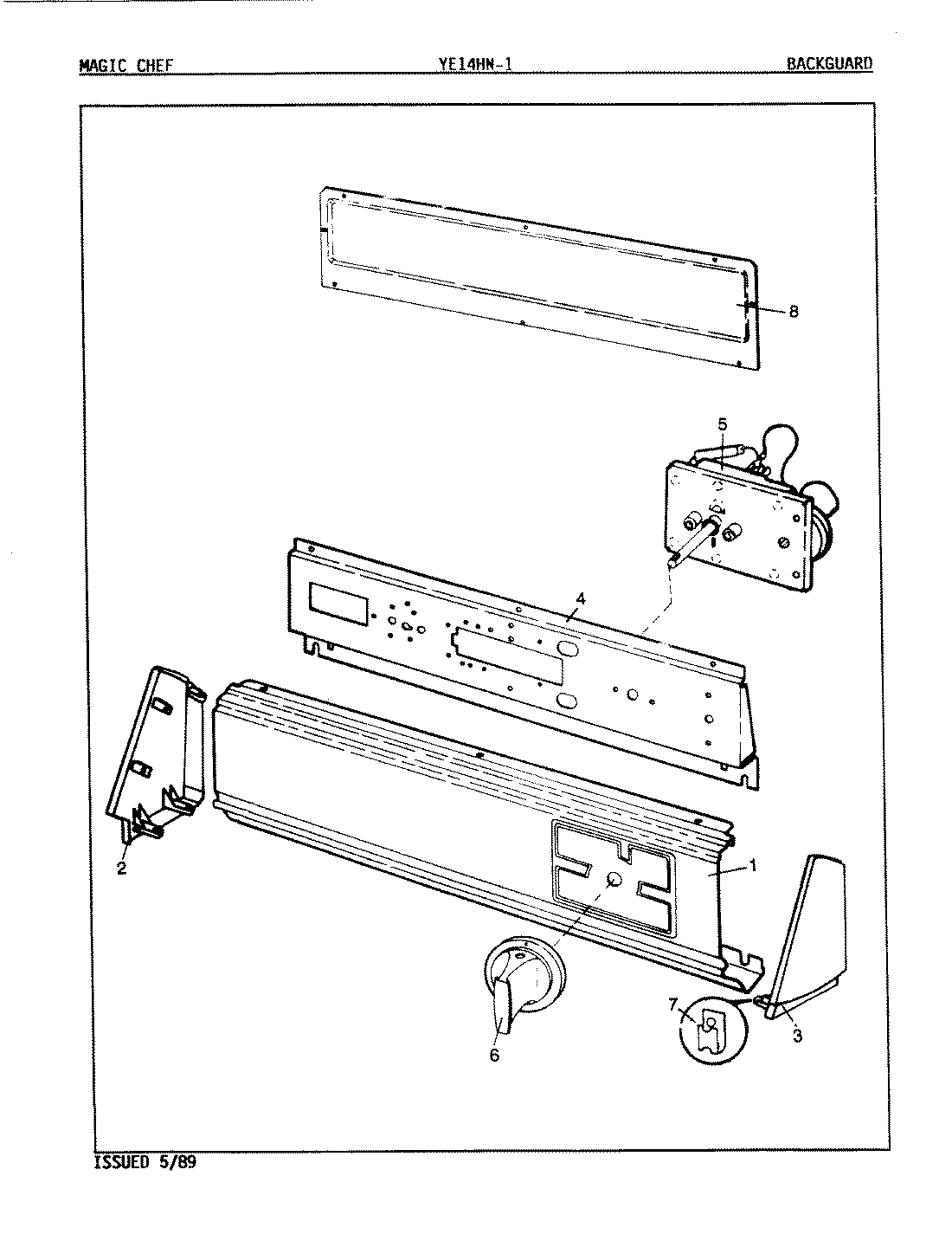
YE14HN1 01 – CONTROL PANEL