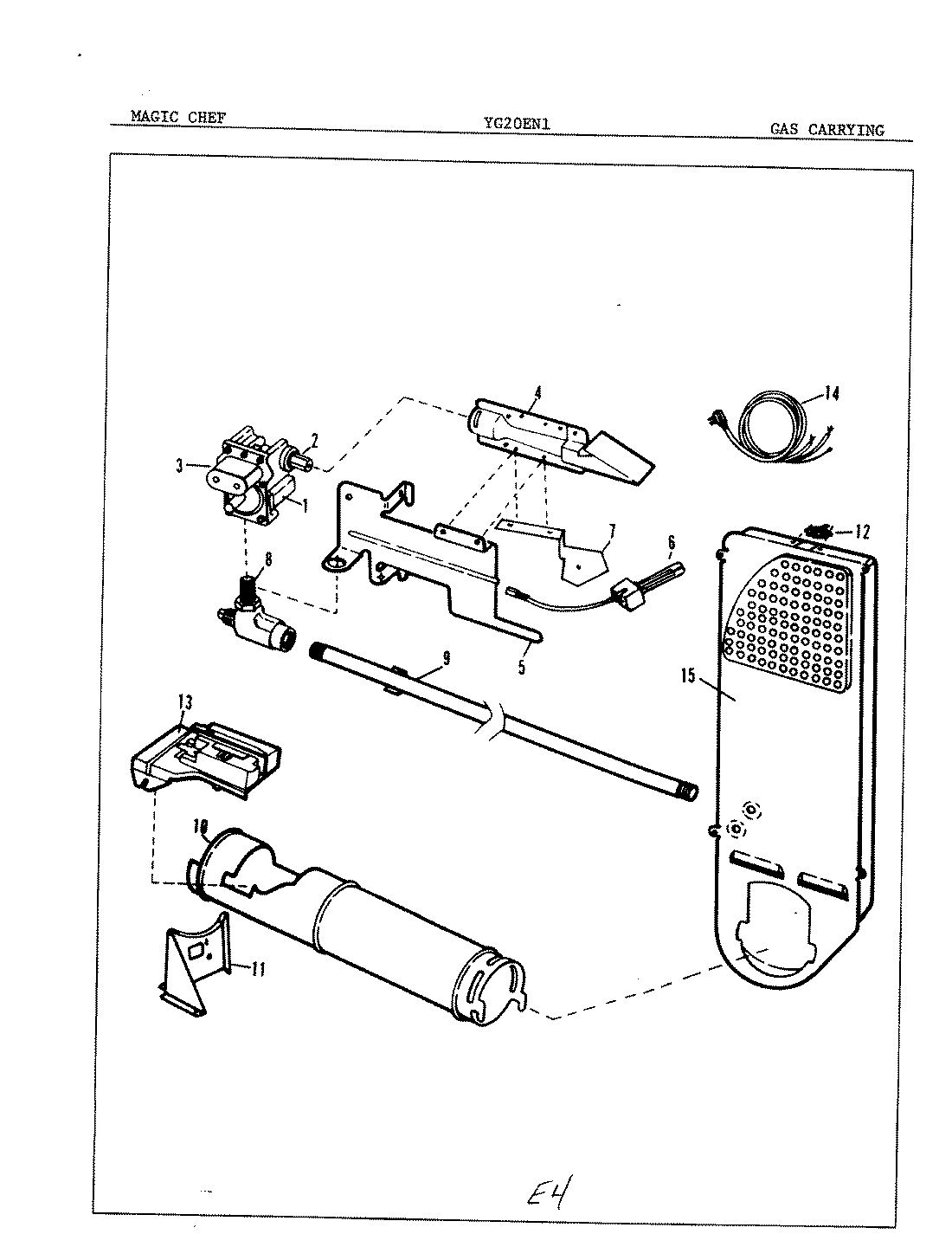
YE20EA4 03 – HEATERadmin2025-04-26T08:49:43+00:00YE20EA4 03 – HEATER ProductsPositionProduct1MAY 53-08311MAY 25-76492MAY 53-02653MAY 53-02783MAY 53-02773MAY 53-02643MAY 25-77604MAY 53-03235MAY 53-04985MAY 53-06605MAY 63-56855MAY 25-00886MAY 53-04956MAY 53-06536MAY 25-60447MAY 53-05438MAY 35-03859MAY 33-66219MAY 25-771210MAY 35-016811MAY 63-673112MAY 25-770213MAY 53-034614MAY 53-026814MAY 25-345714WP90767 Whirlpool Screw14MAY 25-743514MAY 25-785114MAY 25-785214MAY 34-948714MAY 25-769715MAY 63-6743