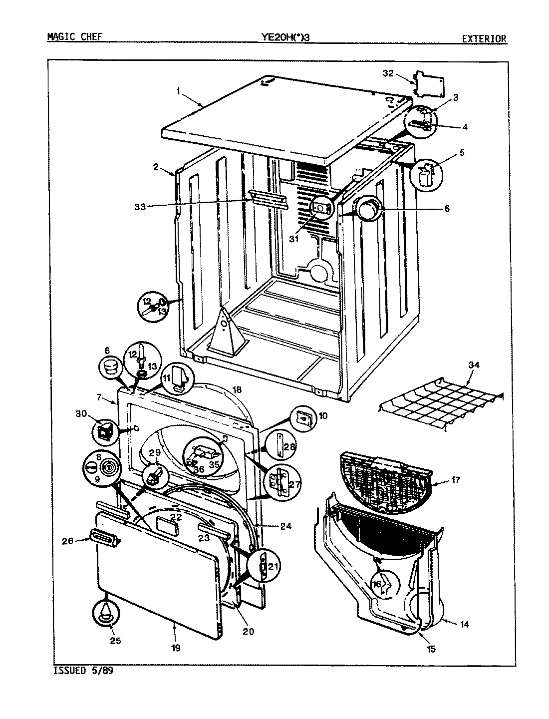
YE20HA3 07 – EXTERIOR (REV. E-F)admin2025-04-26T08:49:56+00:00YE20HA3 07 – EXTERIOR (REV. E-F) ProductsPositionProduct1MAY 53-1711-251MAY 53-17111MAY 53-1711-242MAY 53-1644-252MAY 53-16442MAY 53-1644-243MAY 63-57124WP90767 Whirlpool Screw4MAY 33-09305MAY 25-30346MAY 33-26537MAY 53-0726-257MAY 53-0726-247MAY 53-072610MAY 25-781710WP489478 Whirlpool Refrigerator Screw11WP25-7220 Whirlpool Cabinet Clip12MAY 63-614813MAY 53-020013MAY 25-022414MAY 53-129914MAY 53-091715MAY 53-020416MAY 53-012317WP53-0918 Whirlpool Lint Filter18MAY 53-028219MAY 53-015419MAY 53-0154-2519MAY 53-0154-2420MAY 53-091221MAY 53-011922MAY 53-025123MAY 53-025224MAY 53-011224MAY 25-777025MAY 25-353426MAY 53-092826MAY 25-781027MAY 53-012228W10756178 Whirlpool Screw28MAY 53-012129MAY 73-003330LA-1003 Whirlpool Dryer Door Catch and Metal Strike31WP489483 Whirlpool Screw31MAY 53-013532MAY 53-028432MAY 25-785733MAY 53-013333MAY 25-345734MAY LA-100534NOT REQUIRED PART OR SEE NOTE FUSE (NOT REQUIRED)35MAY 53-014836MAY 63-5990