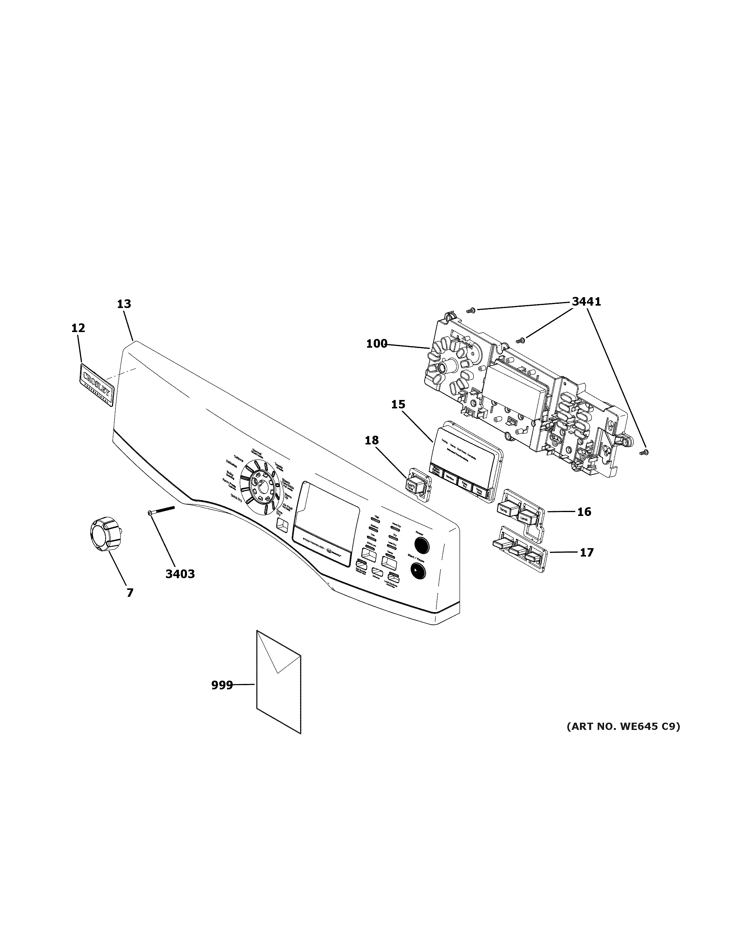
YFD45ESSM1WW CONTROL PANELadmin2025-04-26T10:47:56+00:00YFD45ESSM1WW CONTROL PANEL ProductsPositionProduct7WE01X21167 GE Washer Knob12BADGE13WE20X27598 GE Control Panel Assembly15WE04X25134 GE Washer Display and Buttons Assembly16WE04X28678 GE Button Temp/Level Assembly17WE22X29237 GE Button Edry-Volume-Lock Assembly18WE04X26634 GE ADD Time Button Assembly100WE04X29099 GE Chassis and Board Assembly999PUB NUMBER MANUAL USE AND CARE999PM INSTALLATION INSTRUCT999PUB NUMBER MINI MANUAL3403WE2M264 GE Knob Center Screw Assembly3441WE2M211 GE Front Screw