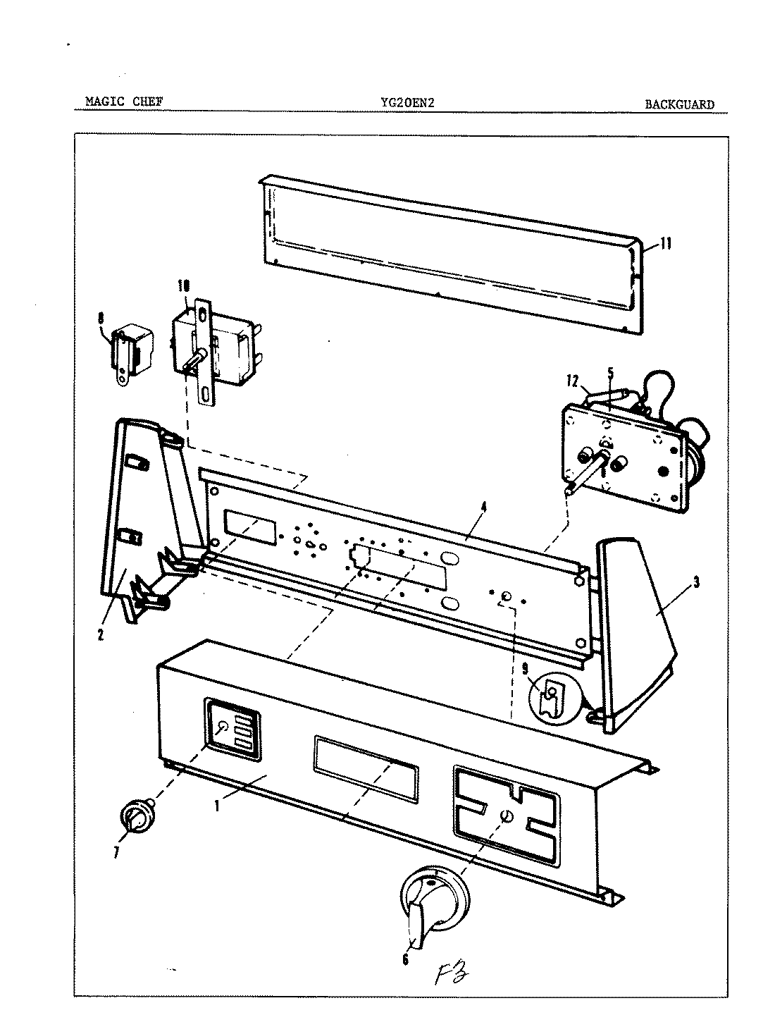
YG20EA1 01 – CONTROL PANELadmin2025-04-26T08:49:34+00:00YG20EA1 01 – CONTROL PANEL ProductsPositionProduct1MAY 53-08291MAY 25-76492MAY 53-02653MAY 53-02643MAY 53-02773MAY 53-02783MAY 25-77604MAY 53-03655MAY 25-02895MAY 53-06355MAY 53-04965MAY 53-06626MAY 53-04956MAY 25-60446MAY 53-06537MAY 35-02808MAY 25-77029MAY 53-045610MAY 53-026810MAY 34-948710MAY 25-785210MAY 25-785110MAY 25-769710WP90767 Whirlpool Screw10MAY 25-345710MAY 25-7435