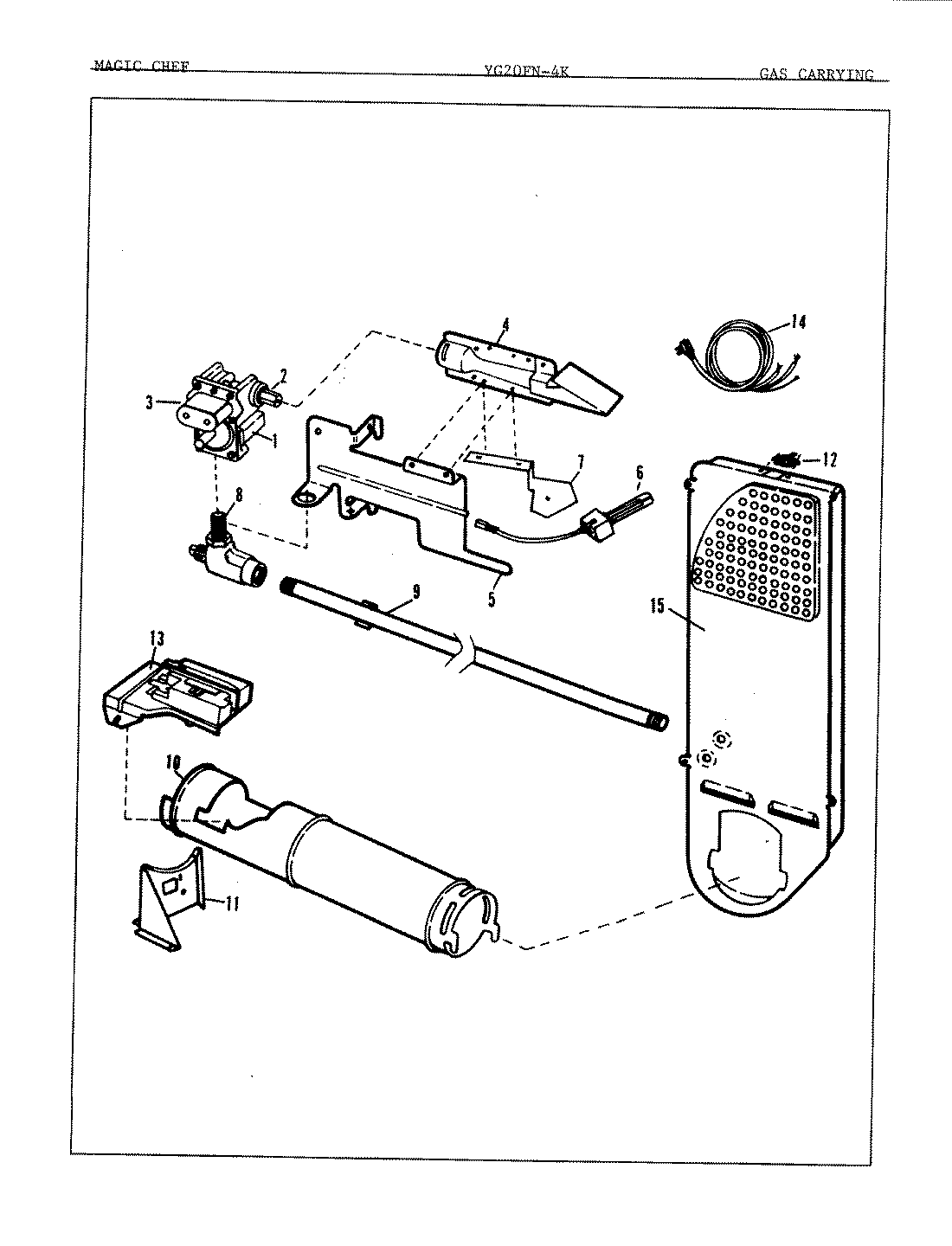
YG20FA4K 04 – GAS CARRYINGadmin2025-04-26T08:49:25+00:00YG20FA4K 04 – GAS CARRYING ProductsPositionProduct1MAY 53-01942MAY 63-35703MAY 63-66153SEE NOTE GROUND WIRE, GREEN4MAY 63-66825MAY 53-01406WP31001556 Whirlpool Igniter7MAY 25-30347MAY 53-06867MAY 25-77448MAY 53-01019MAY 53-017310MAY 53-013811MAY 53-013912MAY 25-016812MAY 53-014313WP90767 Whirlpool Screw13MAY 25-213413WP338906 Whirlpool Dryer Gas Sensor13MAY 25-774114MAY 63-625915MAY 53-016915WP63-6766 Whirlpool LP Conversion Kit