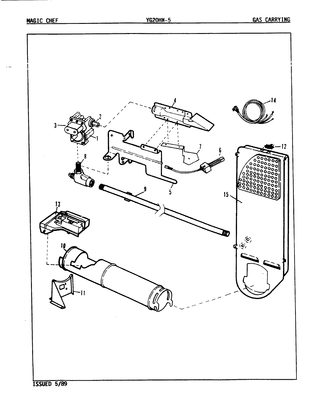
YG20HA5 04 – GAS CARRYINGadmin2025-04-26T08:49:26+00:00YG20HA5 04 – GAS CARRYING ProductsPositionProduct1MAY 53-01942MAY 63-35703MAY 63-66153NOT REQUIRED PART OR SEE NOTE FUSE (NOT REQUIRED)4MAY 63-66825MAY 53-01406WP31001556 Whirlpool Igniter7MAY 25-77447MAY 53-06867MAY 25-30348MAY 53-01019MAY 53-017310MAY 53-013811MAY 53-013911WP90767 Whirlpool Screw11MAY 25-774112MAY 53-014312MAY 25-016813MAY 25-213413WP338906 Whirlpool Dryer Gas Sensor14MAY 63-625915LA-1053 Whirlpool Dryer Thermal Fuse15MAY 53-016915WP63-6766 Whirlpool LP Conversion Kit