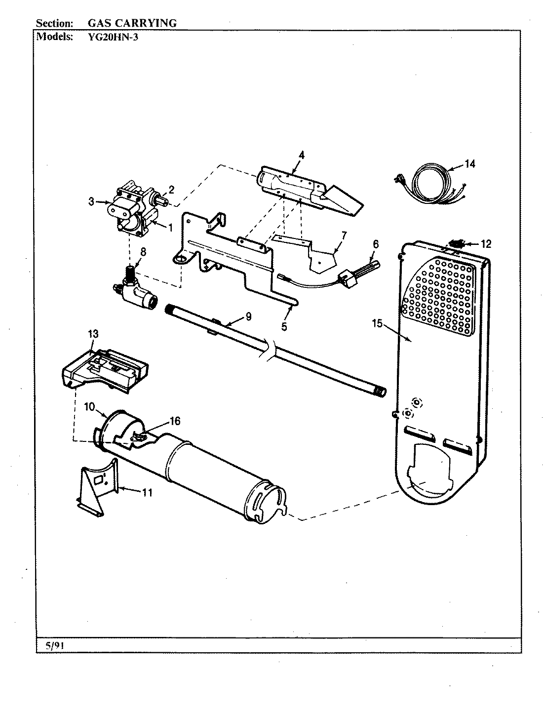
YG20HY3 06 – GAS CARRYINGadmin2025-04-26T08:49:43+00:00YG20HY3 06 – GAS CARRYING ProductsPositionProduct1MAY 53-01942MAY 63-35703MAY 63-66154MAY 63-66825MAY 53-01406WP31001556 Whirlpool Igniter7MAY 25-30347MAY 25-77447MAY 53-06868MAY 53-01019MAY 53-017310MAY 53-188411WP90767 Whirlpool Screw11MAY 53-013911MAY 25-774112MAY 53-014312MAY 25-016813MAY 25-213413WP338906 Whirlpool Dryer Gas Sensor14MAY 63-625915MAY 53-016916MAY 25-303216LA-1053 Whirlpool Dryer Thermal Fuse16WP53-1096 Whirlpool Thermostat16WP63-6766 Whirlpool LP Conversion Kit