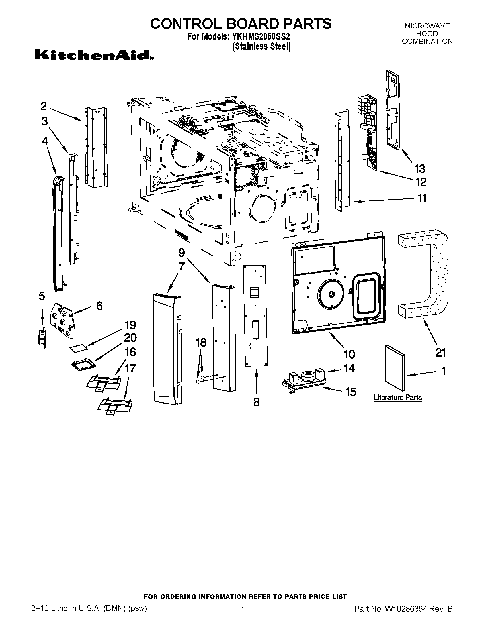
YKHMS2050SS2 01 – CONTROL BOARD PARTSadmin2025-04-26T11:12:03+00:00YKHMS2050SS2 01 – CONTROL BOARD PARTS
Products
| Position | Product |
|---|
| 1 | USE & CARE GUIDE |
| 1 | INSTRUCTIONS, INSTALLATION |
| 1 | Quick Reference |
| 1 | Use & Care Guide |
| 1 | TECH SHEET |
| 2 | Support, Cavity (Left) |
| 3 | W10527358 Whirlpool Microwave Plate |
| 4 | SIDE PANEL, LEFT (STAINLESS) |
| 5 | Button (Stainless Steel) |
| 6 | WPW10403040-includeCORE Whirlpool WPW10403040 Microwave Control Board with Light Switch + Core |
| 7 | SIDE PANEL, RIGHT (STAINLESS STEEL) |
| 8 | Control Board, (Relay) |
| 9 | Plate, Protection (Right) |
| 10 | Plate, Chassis |
| 11 | Support, Cavity (Right) |
| 12 | WP8206493 Whirlpool Microwave Electronic Control Board |
| 13 | HOLDER, MICROCOMPUTER |
| 14 | AC Line Filter |
| 15 | Holder, Filter |
| 16 | Resistor (50W) |
| 17 | W10113783 Whirlpool Microwave Resistor |
| 18 | Spacer (6) |
| 19 | Glass, Lamp |
| 20 | Frame, Glass |
| 21 | FOAM, SEAL |