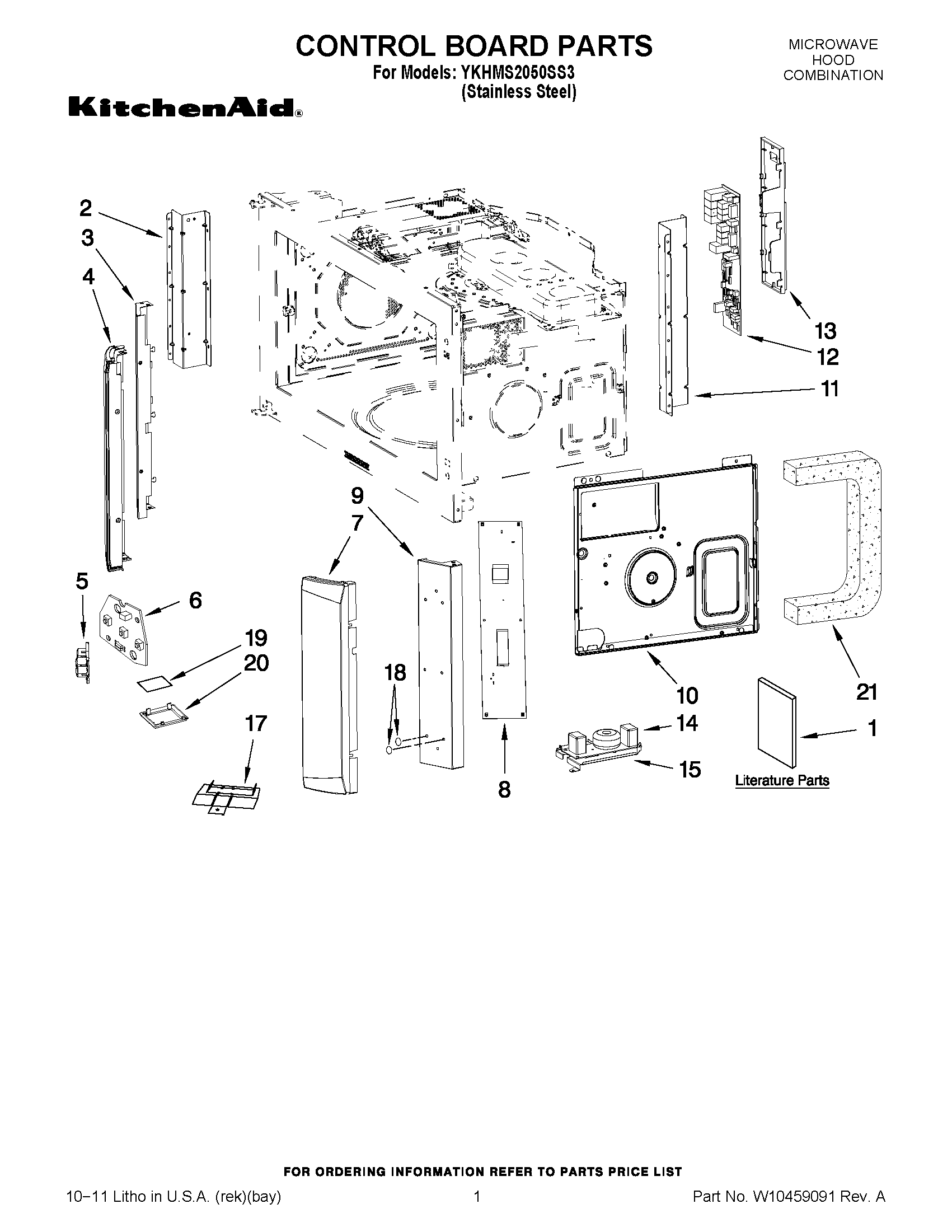
YKHMS2050SS3 01 – CONTROL BOARD PARTS