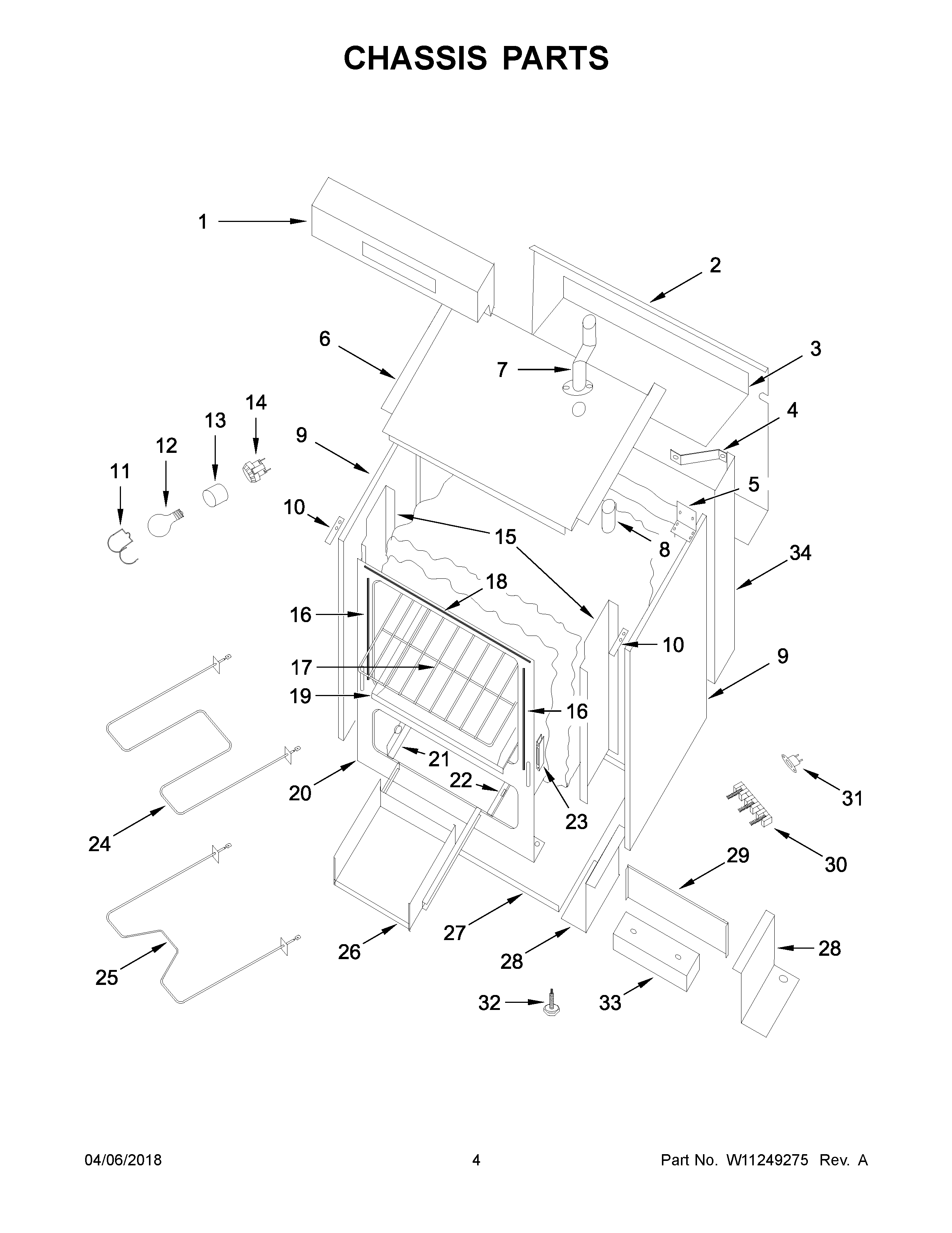
YWFE50M4HS0 03 – CHASSIS PARTSadmin2025-04-26T11:07:59+00:00YWFE50M4HS0 03 – CHASSIS PARTS
Products
| Position | Product |
|---|
| NI | CABINET (NOT A SERVICEABLE PART) |
| NI | RETAINER, INSULATION |
| NI | W11226497 Whirlpool Power Cord |
| NI | INSULATION, WRAP |
| NI | INSULATION, BACK OR BOTTOM |
| 1 | W11222948 Whirlpool Backguard |
| 2 | W11223003 Whirlpool Rear Cover |
| 3 | DEFLECTOR, MOISTURE |
| 4 | BRACE, BACK |
| 5 | RETAINER, REAR TOP |
| 6 | BOTTOM, BURNER BOX |
| 7 | VENT TUBE, UPPER |
| 8 | VENT TUBE, LOWER OVEN |
| 9 | W11222958 Whirlpool Cabinet Panel |
| 10 | RETAINER, FRONT TOP |
| 11 | GUARD, OVEN LIGHT |
| 12 | RANGE ONLY 40W 120V APPL BULB |
| 13 | SOCKET, BULB |
| 14 | RECEPTACLE, LIGHT |
| 15 | BAFFLE, INNER SIDE |
| 16 | GASKET, OVEN SIDE |
| 17 | RACK, OVEN |
| 18 | GASKET, OVEN TOP |
| 19 | BOTTOM, OVEN |
| 20 | FRAME-FRNT |
| 21 | RUNNER, DRAWER (LEFT) |
| 22 | RUNNER, DRAWER (RIGHT) |
| 23 | RECEIVER, HINGE |
| 24 | ELEMENT, BROIL |
| 25 | ELEMENT, BAKE |
| 26 | W11222999 Whirlpool Utility Drawer |
| 27 | BOTTOM, MAIN |
| 28 | SUPPORT, REAR SIDE |
| 29 | CROSS BRACE, REAR |
| 30 | WPW10245259 Whirlpool Terminal Block |
| 31 | 4364176 Whirlpool Limit Switch |
| 32 | LEG, LEVELER |
| 33 | COUNTERWEIGHT |
| 34 | BACK, MAIN |