ZBD3100V60BB 1

ZBD3100V60BB 1

Products

PositionProduct
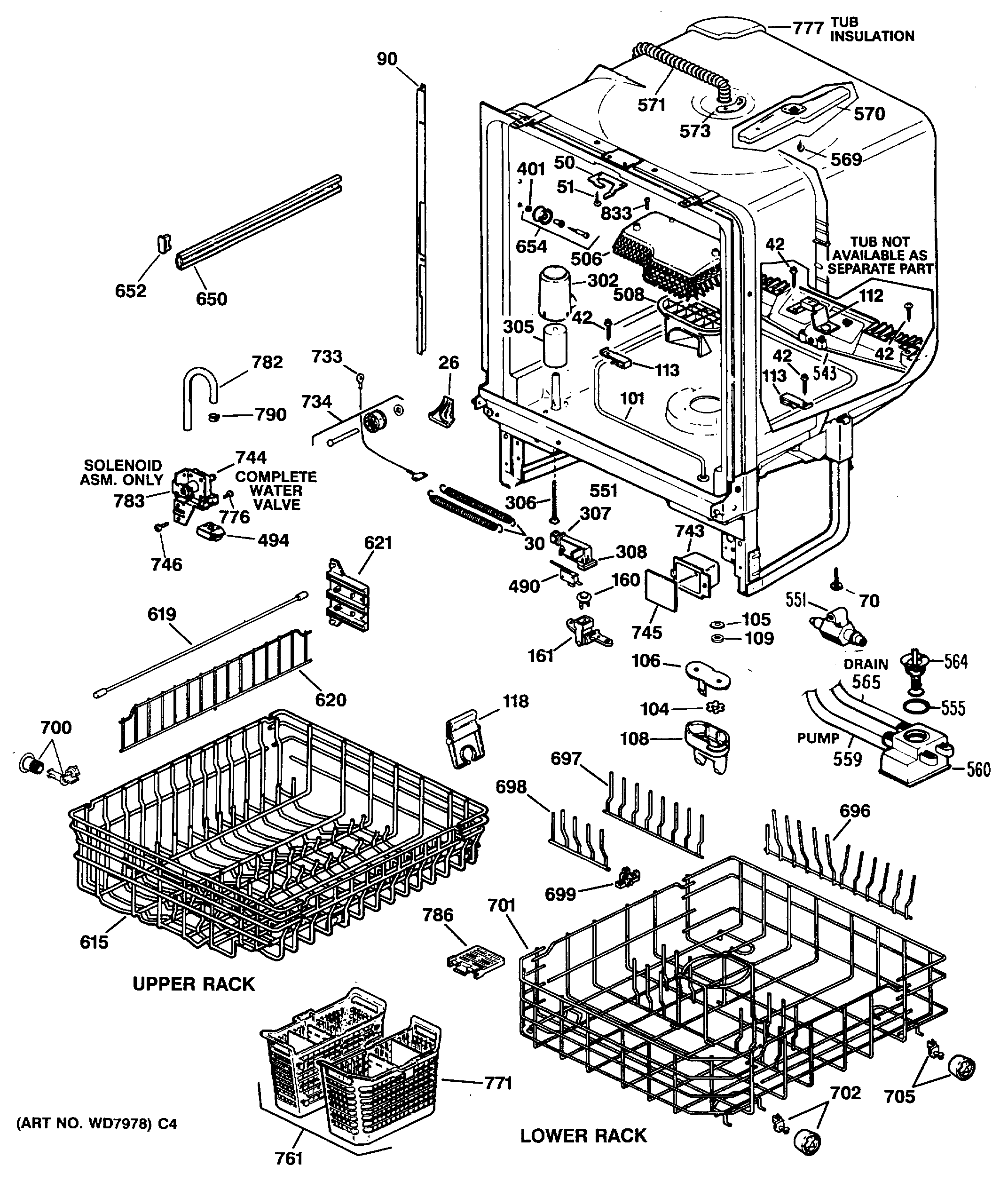
26WD8X227 GE Dishwasher Right Hand Corner Seal
26WD8X228 GE Dishwasher Left Hand Tub Baffle Corner Gasket
30GEN WD01X1442
42WD02X22736 GE Dishwasher Stainless Steel SCR10 16 AB HXW 3/4
50WD13X67 GE Dishwasher Latch Keeper
51GEN WZ02X0492
70WD2X320 GE Dishwasher Leveling Leg
90TRIM TUB FLANGE
101WD05X26780 GE Dishwasher Heating Element Assembly
104GEN WD01X1289
105GEN WD01X1168
106BASE BARRIER
108BARRIER HEATING ELEMENT
109GEN WD08X0225
112GEN WD01X1462
113GEN WD01X1430
118GEN WD28X0287
160GEN WD21X0575
302WD12X445 GE Dishwasher Float Dome
305WD12X334 GE Dishwasher Float
306WD12X335 GE Dishwasher Float Stem
307WD12X10023 GE Dishwasher Bracket
308GEN WD12X0377
401WD3X767 GE Dishwasher Washer
490WD21X479 GE Dishwasher Switch
494WD1X1459 GE Dishwasher Insulation Housing
506WD12X417 GE Dishwasher Cover
508WD12X418 GE Dishwasher Sump Cap
543GEN WD22X0138
551GEN WD12X0391
555GEN WD08X0219
559GEN WD24X0198
560GEN WD22X0134
564WD24X10018 GE Assembly Piston and Nut
565GEN WD24X0217
569GEN WD01X1297
570WD28X10103 GE Spray Arm Assembly
571GEN WD24X0214
573GEN WD01X1007
615GEN WD28X0321
619GEN WD28X0322
620GEN WD28X0323
621GEN WD28X0316
650WD30X98 GE Dishwasher Slide Assembly
652WD12X10304 GE Dishwasher Rack Slide Endcap (White)
654WD12X332 GE Dishwasher Rack Roller
696WD28X31819 GE Dishwasher Lower Rack
697GEN WD28X0311
698GEN WD28X0310
699GEN WD28X0309
700WD12X10327 GE Dishwasher Rack and Roller Studs 4 Pack
702WD12X271 GE Dishwasher Roller
705WD35X21038 GE Dishwasher Upper Rack Wheel Kit
733WD7X14 GE Dishwasher Door Cable Assembly
734GEN WD35X0183
743GEN WD12X0419
744WD15X93 GE Dishwasher Water Inlet Fill Valve
745GEN WD12X0420
746WD2X248 GE Dishwasher Screw
771SILVERWARE BASKET
776GEN WZ05X0222
777GEN WD01X1465
782WD18X202 GE Dishwasher Fill Hose
786GEN WD28X0319
790WH1X2036 GE UNIX Clamp
833WD2X295 GE Refrigerator Screw