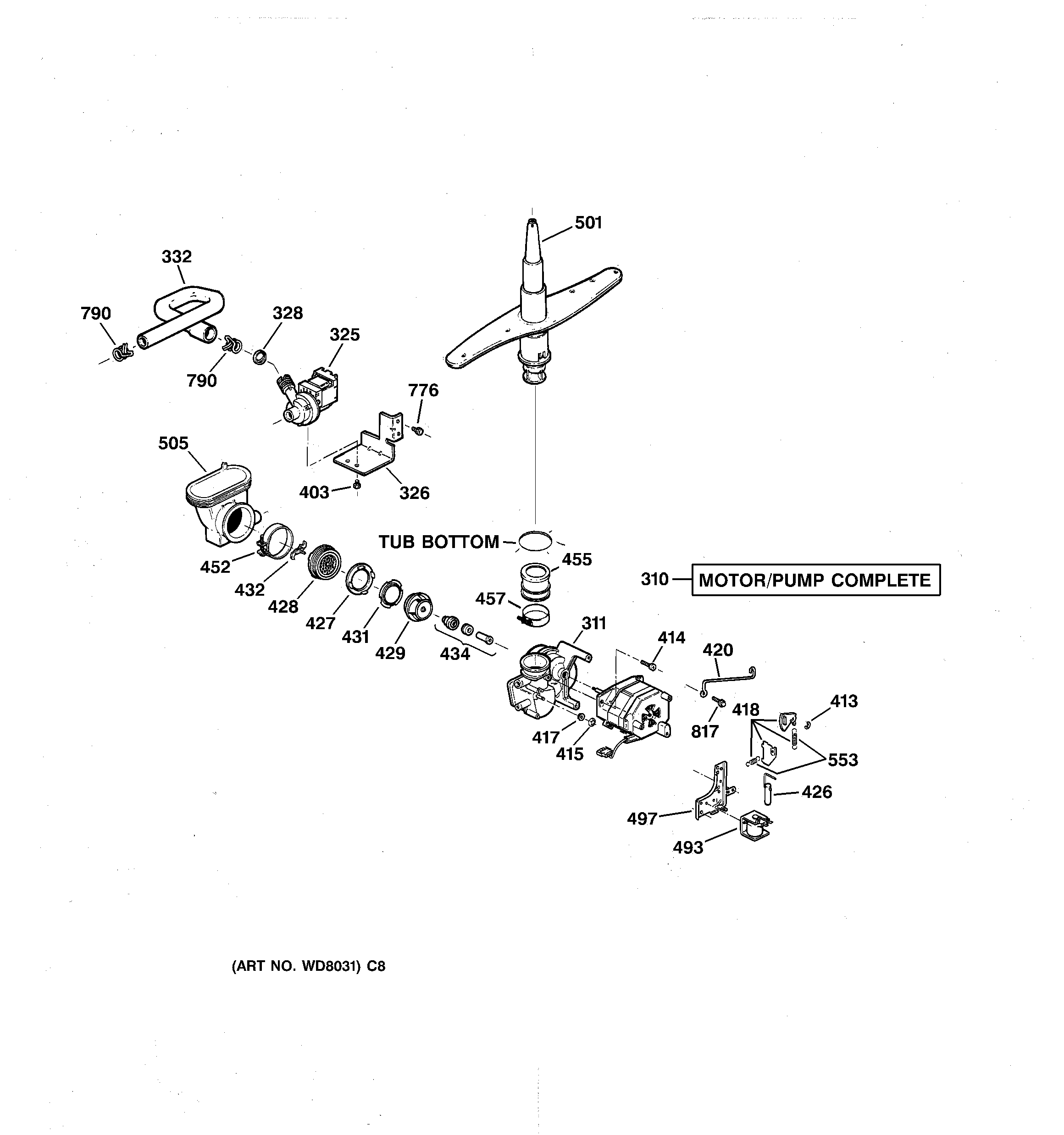
ZBD3500Z00BB MOTOR-PUMP MECHANISM