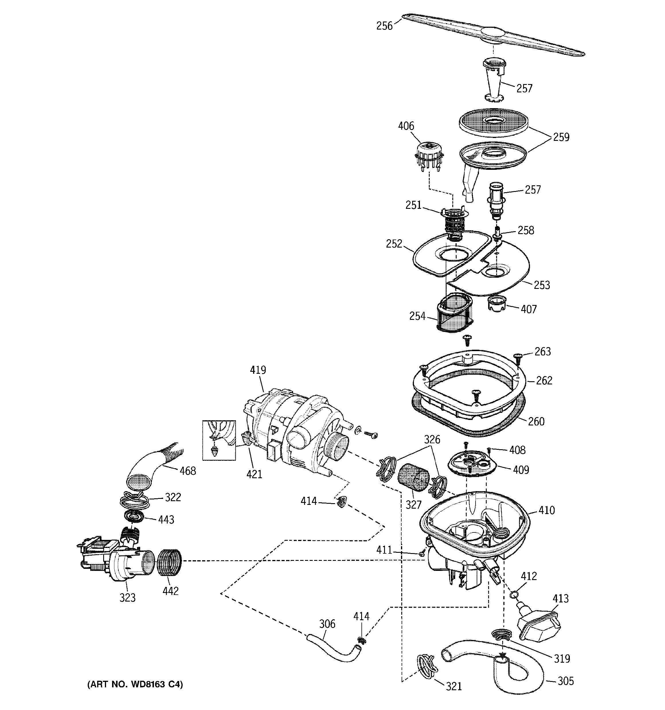
ZBD6605G03SS SUMP ASSEMBLY