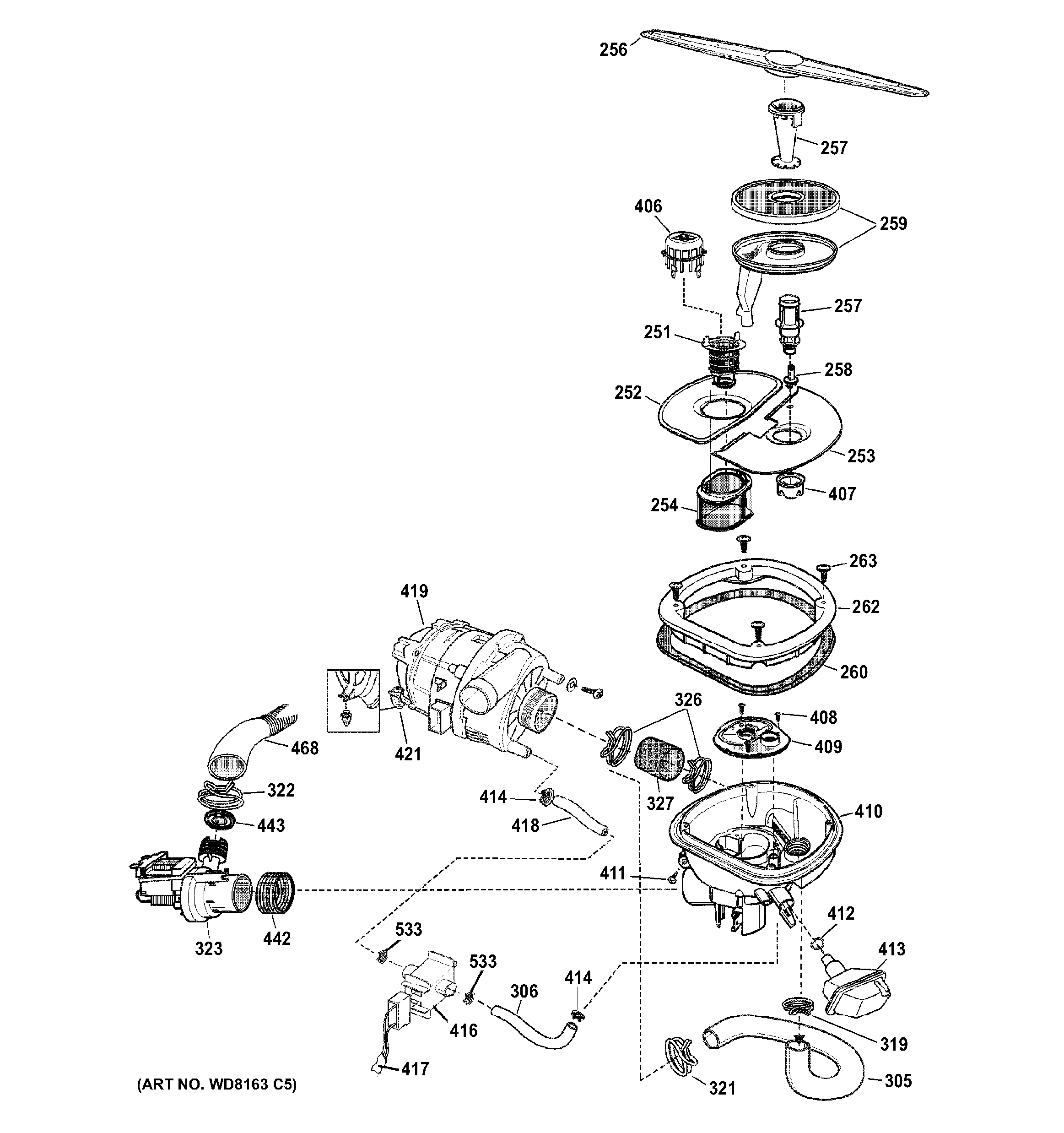
ZBD6900G05SS SUMP ASSEMBLY