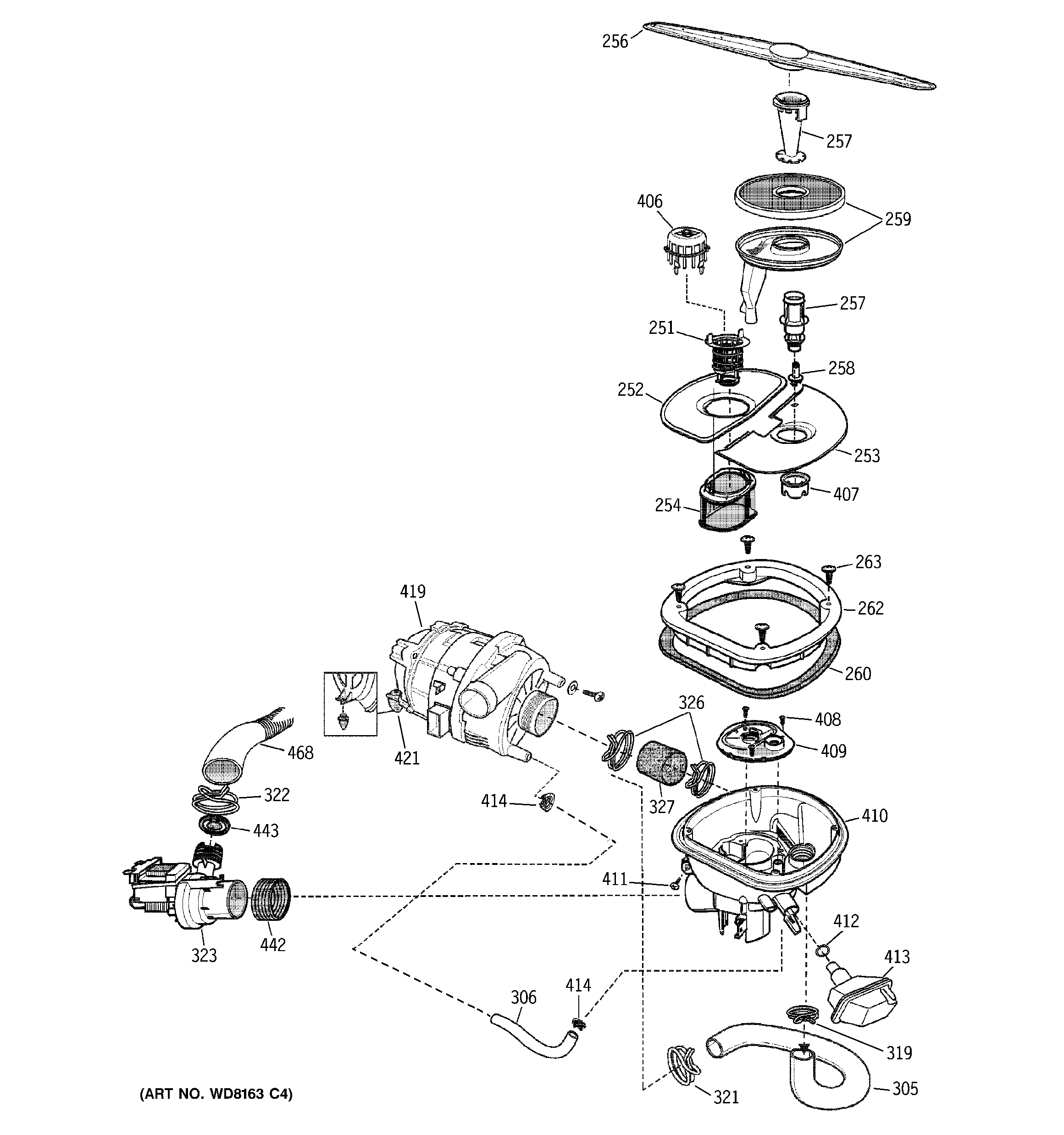
ZBD6905G03SS SUMP ASSEMBLYadmin2025-04-26T10:50:00+00:00ZBD6905G03SS SUMP ASSEMBLY ProductsPositionProduct251GEN WD18X10007252GEN WD18X10002253GEN WD18X10003254GEN WD18X10004256GEN WD22X10010257LOWER VENTURI ASSEMBLY258GEN WD22X10012259GEN WD22X10013260GEN WD19X10016262GEN WD17X10001263GEN WD02X10040305GEN WD24X10032306GEN WD18X10032319WD01X24246 GE Dishwasher Clamp321GEN WD01X10055322GEN WD01X10056323GEN WD19X10018326GEN WD01X10059327GEN WD19X10019406GEN WD18X10022407GEN WD01X10134408GEN WD02X10074409GEN WD18X10020410GEN WD18X10021411GEN WD02X10075412GEN WD01X10116413GEN WD28X10092414GEN WD01X10117419GEN WD19X10037421GEN WD26X10017442GEN WD01X10124443GEN WD15X10005468GEN WD18X10018