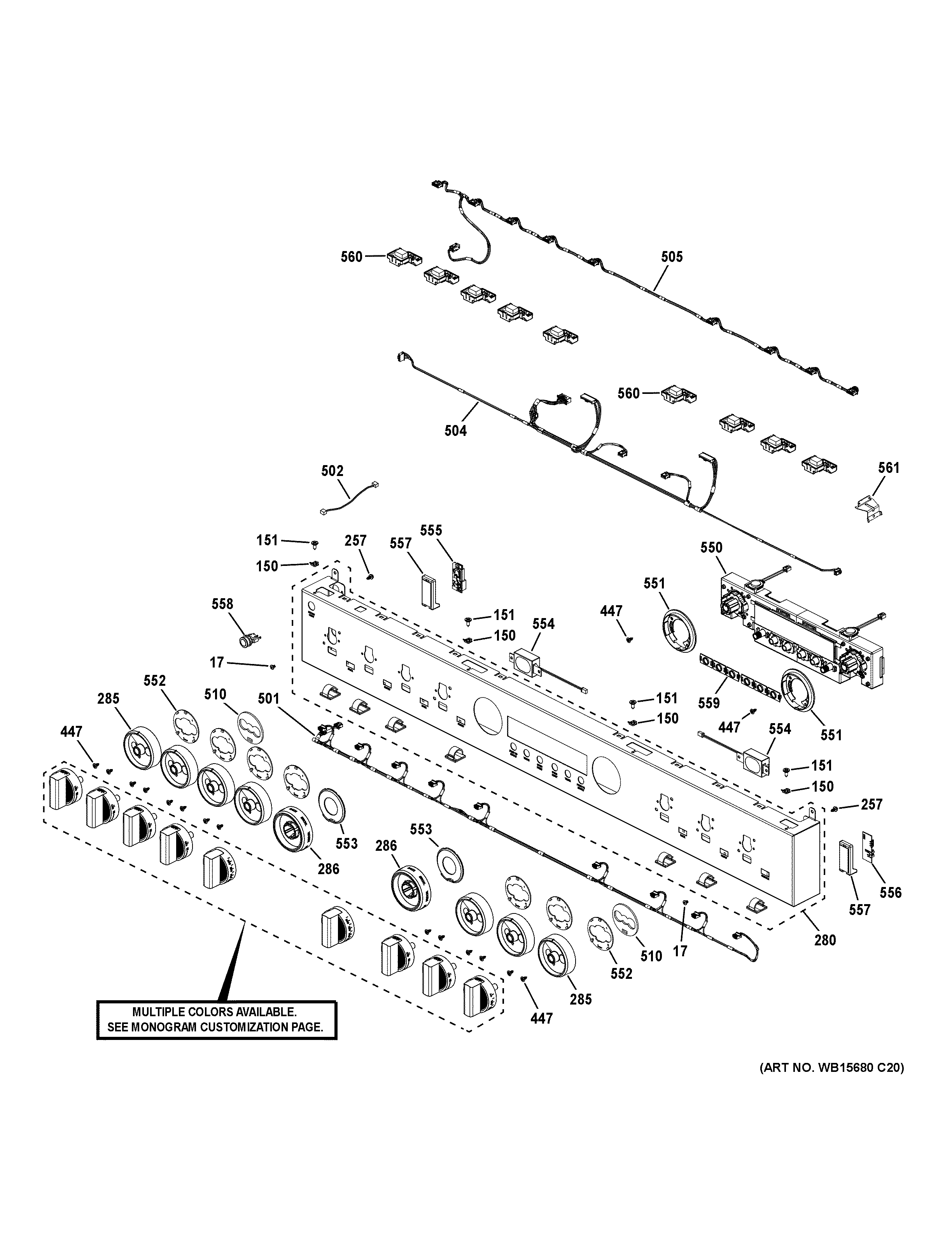
ZDP486NDT1SS CONTROL PANELadmin2025-04-26T10:40:01+00:00ZDP486NDT1SS CONTROL PANEL ProductsPositionProduct17WB01K10002 GE Oven Screw 8-32150SPRING WASHER151WB01T10009 GE Screw 10-16 Shoulder Type A257WB01K10042 GE Oven Screw 3/8" AB IHW 8-18280WB36X39805 GE Stainless Steel Control Panel 48"285STAINLESS BEZEL286STAINLESS DUAL FUEL OVEN BEZEL447NUT RECEPTACL HEX 1/4-32447WB01K10086 GE Oven Screw 8-18 AB TRPO 3/8 Stainless Steel501WB18X39358 GE Bezel Harness502WB18K10085 GE Harness504WB18X39360 GE UI Harness 48"505WB18X39313 GE Lighting Harness510LED COVER BOARD550WB27X39637 GE Encoder Magnet551WB03X41108 GE Control Knob Bezel552WB24X42086 GE Backlight LED Assembly553LED BOARD COVER554WB27X33354 GE Speaker 70C 3W555WH22X29461 GE A3 WiFi Board556WB27X40327 GE Bluetooth Cat Module Assembly557WB02X20265 GE Transceiver Housing558WB24X39915 GE LED Switch Assembly559WB03X41107 GE Display Button Bezel560WB24X41110 GE LED Assembly Board561BRACKET CONTROL