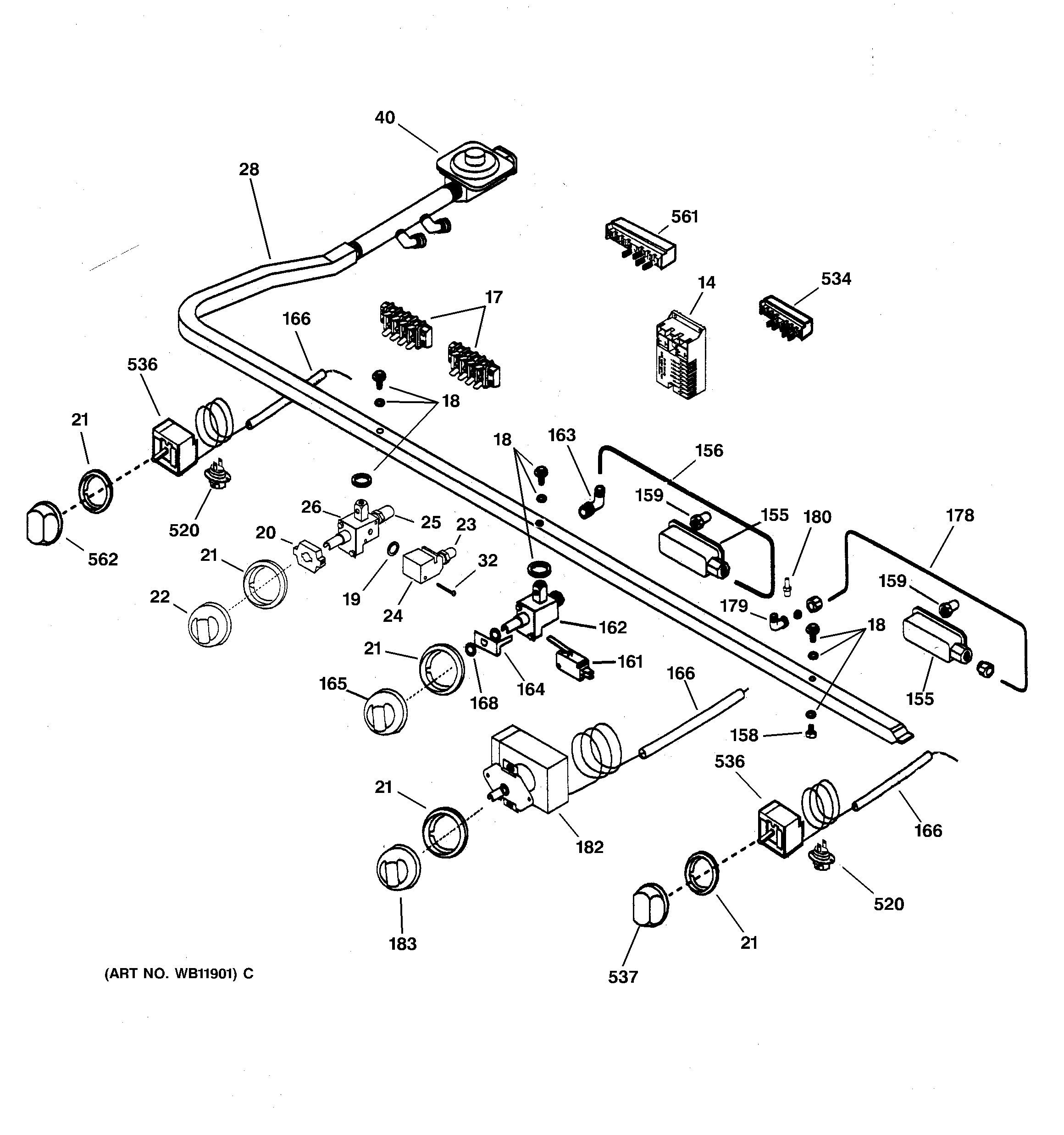
ZDP48L4GWSS MANIFOLD & CONTROLSadmin2025-04-26T10:39:35+00:00ZDP48L4GWSS MANIFOLD & CONTROLS ProductsPositionProduct14WB21X10029 GE Oven Spark Igniter17GEN WB17X513218GEN WB01X597519GEN WB02X860320SPARK SWITCH/SIMMER BURN21GEN WB07X739122GEN WB03X586523ORIFICE LP SIMMER24GEN WB17X513325ORIFICE LP MAIN26GEN WB21X535428GEN WB02X1035932GEN WB01X1010340GEN WB21X10027155THERMAL VALVE`156GEN WB02X8613158GEN WB02X8609159ORIFICE LP GRL/ GRD161GEN WB24X5363162SIMMER VALVE-STANDARD163GEN WB02X8614164GEN WB02X8615165GEN WB03X5867166GEN WB02X8611168SPEED CLIP CAM SWITCH178GEN WB02X8606179GEN WB02X8607180GEN WB02X8608182GEN WB21X5356183GEN WB03X5866520GEN WB21X53695345 PUSH-BUTTON SWITCH536GEN WB21X5358537GEN WB03X5868561GEN WB24X5365562GEN WB03X5869