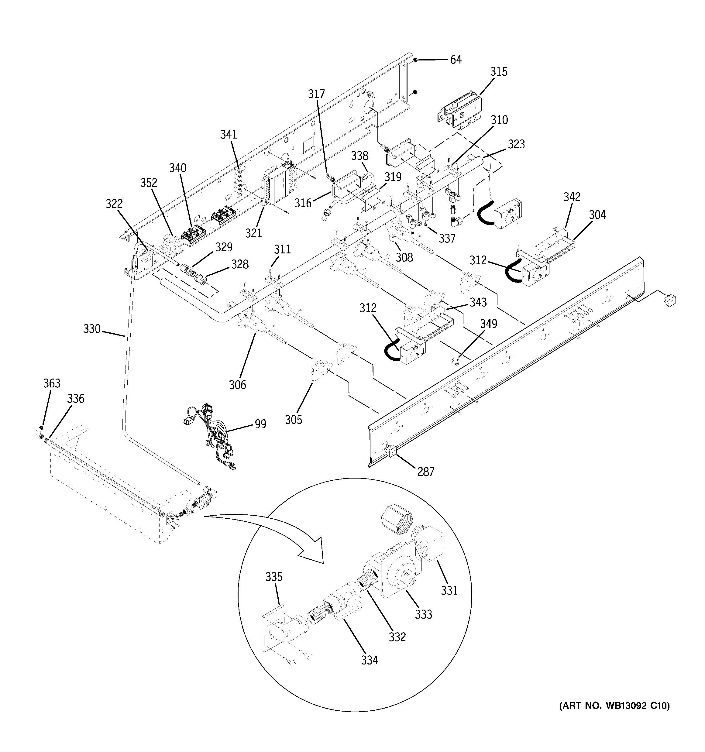
ZDP48L6RH2SS MANIFOLD ASSEMBLY