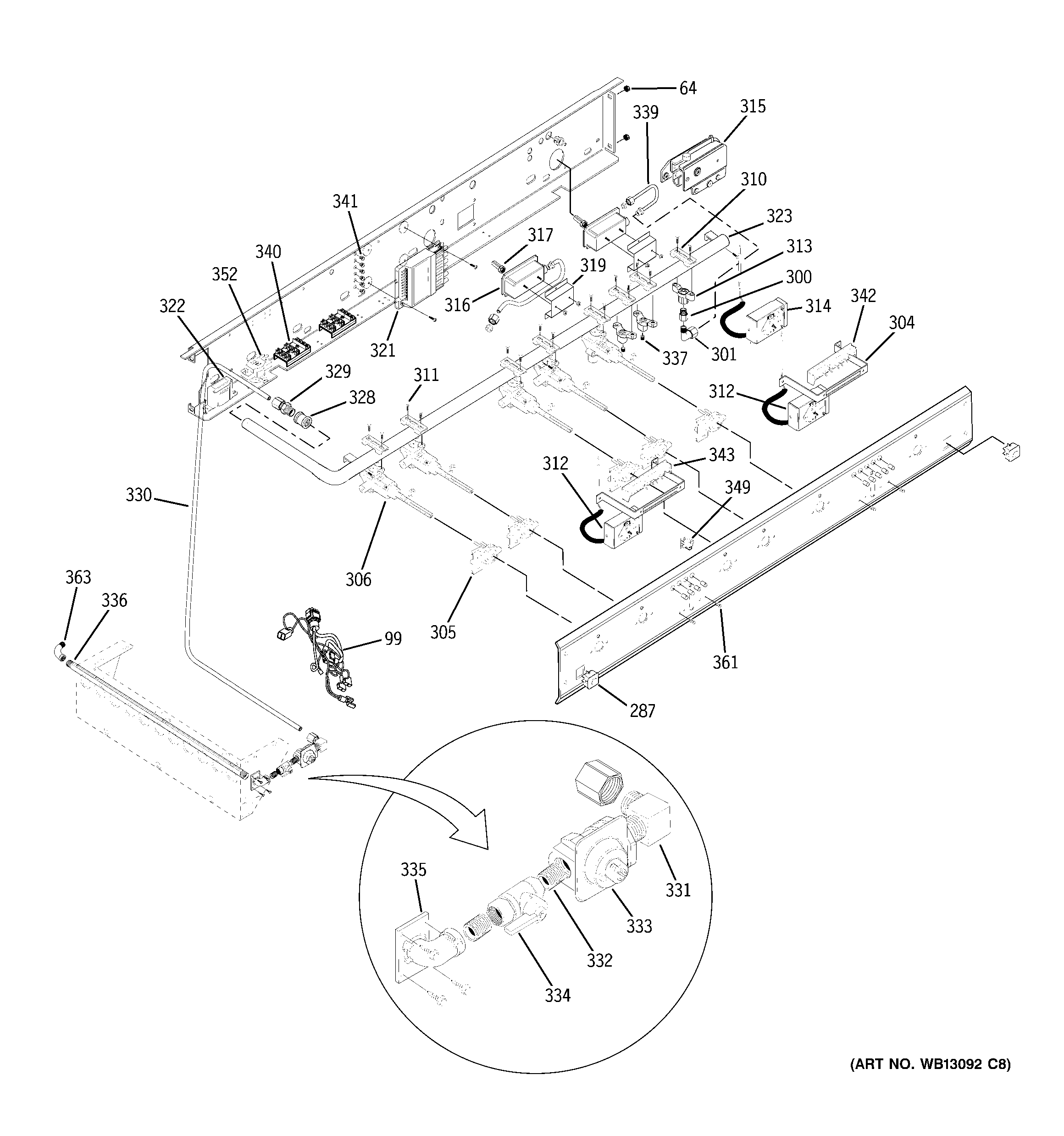
ZDP48N6DH2SS MANIFOLD ASSEMBLYadmin2025-04-26T10:39:13+00:00ZDP48N6DH2SS MANIFOLD ASSEMBLY ProductsPositionProduct64GEN WB01X1001799GEN WB18X10338287GEN WB24X5362300GEN WB02X11078301GEN WB02X8607304GEN WB02X11080305SWITCH IGNI306WB21X10114 NLA:BURNER VALVE (NAT/LP)310CLAMP311GEN WB01X10147312WB24X24087 GE Oven Thermostat Assembly313GEN WB02X11081314GEN WB21X10117315GEN WB21X10033316GEN WB21X10123317ORIFICE NAT GRL/ GRD319GEN WB02X11082321WB13K10031 MODULE SPARK322WB27X10905 GE Oven Transformer323GEN WB28X10074328GEN WB02X11088329GEN WB02X11089330GEN WB28X10092331GEN WB02X11092332GEN WB02X10456333GEN WB21X10027334GEN WB19X10022335GEN WB02X11083336GEN WB28X10069337GEN WB01X10092339GEN WB28X10104340GEN WB17X5132341GEN WB02X11106342GEN WB24X10133343GEN WB24X10134349GEN WB21X5369352GEN WB27X10784361GEN WB25X10015363GEN WB02X10779