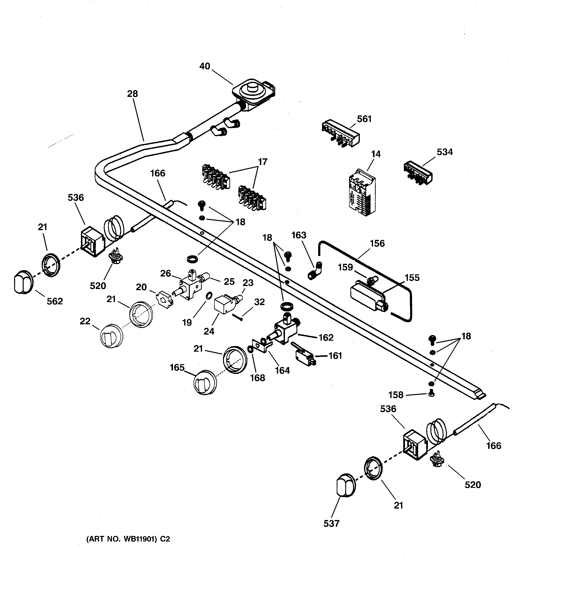
ZDP48N6RD2SS MANIFOLD & CONTROLSadmin2025-04-26T10:40:47+00:00ZDP48N6RD2SS MANIFOLD & CONTROLS ProductsPositionProduct14WB21X10029 GE Oven Spark Igniter17GEN WB17X513218GEN WB01X597519GEN WB02X860320SPARK SWITCH/SIMMER BURN21GEN WB07X739122GEN WB03X586523GEN WB21X1004023GEN WB21X1004124GEN WB17X513325ORIFICE LP MAIN25GEN WB21X537126GEN WB21X535428GEN WB02X1035832GEN WB01X1010340GEN WB21X10027155THERMAL VALVE`156GEN WB02X8613158GEN WB02X8609159ORIFICE NAT GRL/ GRD159ORIFICE LP GRL/ GRD161GEN WB24X5363162SIMMER VALVE-STANDARD163GEN WB02X8614164GEN WB02X8615165GEN WB03X5867166GEN WB02X8611168SPEED CLIP CAM SWITCH520GEN WB21X53695345 PUSH-BUTTON SWITCH536GEN WB21X5358537GEN WB03X5868561GEN WB24X5365562GEN WB03X5869