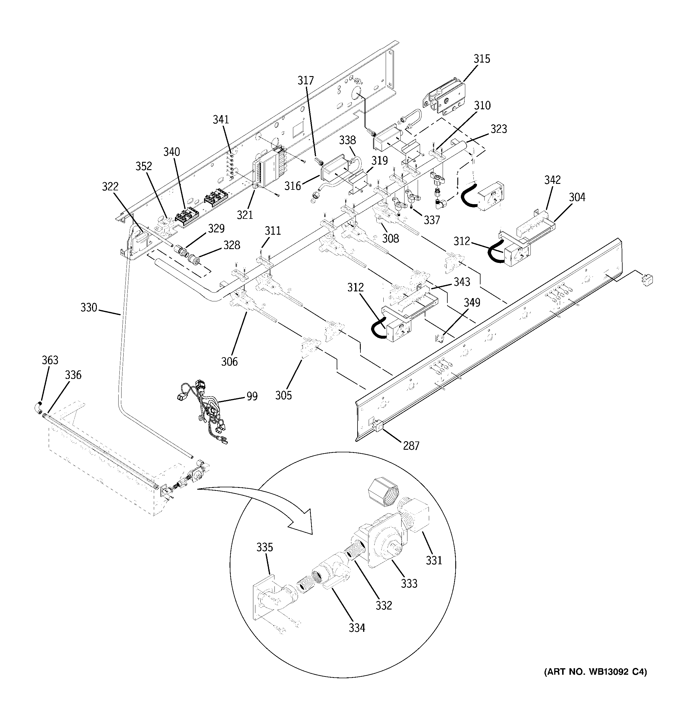
ZDP48N6RH4SS MANIFOLD ASSEMBLYadmin2025-04-26T10:41:11+00:00ZDP48N6RH4SS MANIFOLD ASSEMBLY ProductsPositionProduct99GEN WB18X10338287GEN WB24X5362304GEN WB02X11080305SWITCH IGNI305GEN WB24X10092306WB21X10114 NLA:BURNER VALVE (NAT/LP)308GEN WB21X10127310CLAMP311GEN WB01X10147312WB24X24087 GE Oven Thermostat Assembly315GEN WB21X10033316THERMAL VALVE`317ORIFICE NAT GRL/ GRD319GEN WB02X11082321WB13K10031 MODULE SPARK322WB27X10905 GE Oven Transformer323GEN WB28X10073328GEN WB02X11088329GEN WB02X11089330GEN WB28X10092331GEN WB02X11092332GEN WB02X10456333GEN WB21X10027334GEN WB19X10022335GEN WB02X11083336GEN WB28X10069337GEN WB01X10092338GEN WB28X10070340GEN WB17X5132341GEN WB02X11085342GEN WB24X10157343GEN WB24X10158349GEN WB21X5369352GEN WB27X10784363GEN WB02X10823