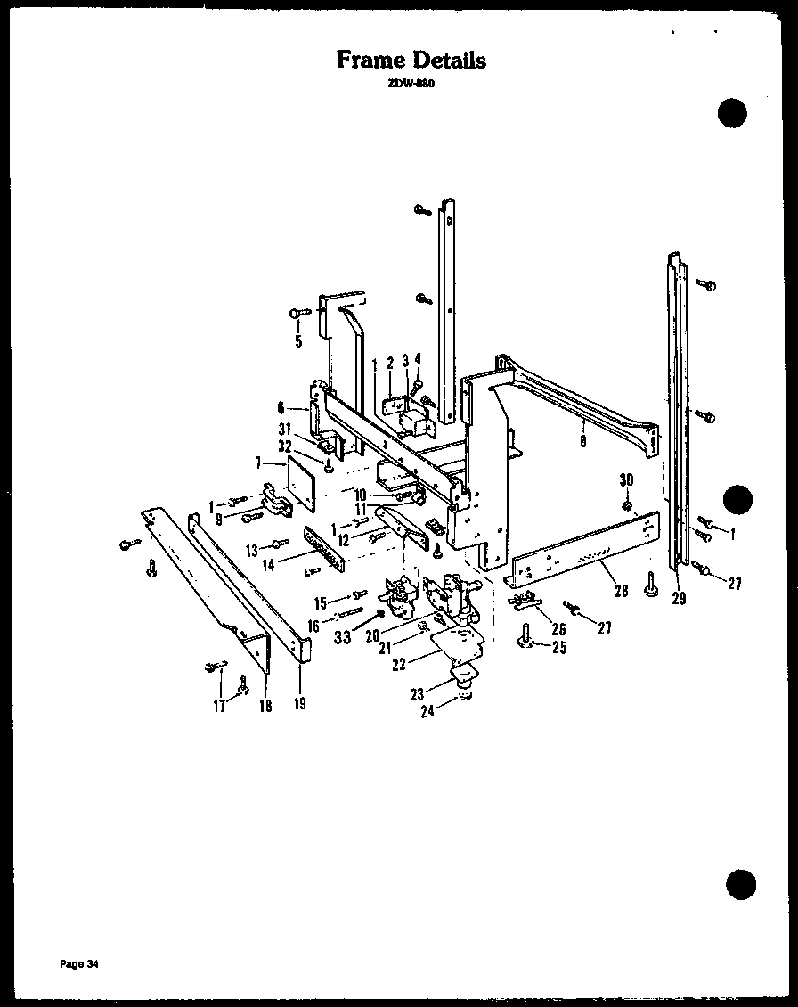
ZDW-880 03 – FRAME DETAILSadmin2025-04-26T08:51:42+00:00ZDW-880 03 – FRAME DETAILS ProductsPositionProduct1MAY 08068302MAY 08070193MAY 08002225MAY 08065396MAY 08078487MAY 08080138MAY Y08078529MAY 080672310MAY Y080341611MAY Y080558412MAY 080784913MAY Y080750114MAY 080748615MAY Y080659316MAY 080467217MAY 080700118MAY 080785019MAY 080629520MAY 080690021MAY 080451822MAY 080761323MAY 080761424MAY 080760925MAY 080767226MAY 080767127MAY 080688928MAY Y080785129MAY 080629030MAY Y080461931MAY 080817032MAY Y080778433MAY 0806121