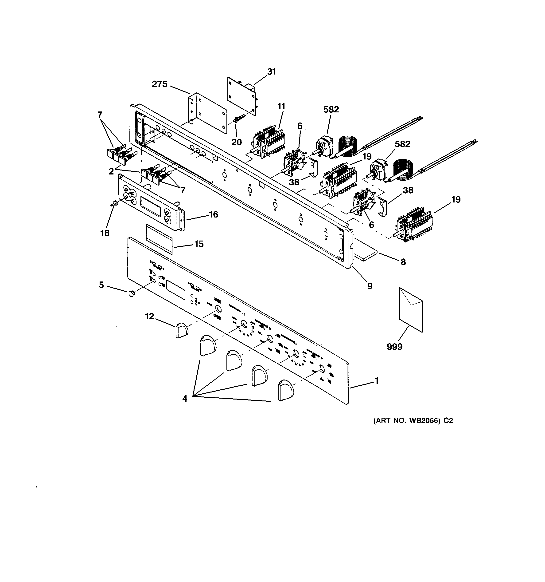
ZET857SB3SS CONTROL PANELadmin2025-04-26T10:45:53+00:00ZET857SB3SS CONTROL PANEL ProductsPositionProduct1GEN WB07X103091GEN WB07X103301GEN WB07X103081GEN WB07X103022GEN WB02X106274GEN WB03X100354GEN WB03X100345GEN WB03X100175GEN WB03X100186GEN WB24X100117GEN WB02X104128GEN WB02X104939GEN WB07X1014711GEN WB24X1001912GEN WB03X1003212GEN WB03X1003315GEN WB02X1049416GEN WB19X1000118GEN WB01X1002419GEN WB24X1001020GEN WB02X1041131GEN WB02X1041538GEN WB02X10492275GEN WB02X10408582GEN WB21X10028582GEN WB21X10016999GEN 31-20755999WR04X24243 GE Refrigerator Badge Monogram Small No999GEN 49-8974999GEN 49-8791